Expert Support
Full Speed
100% Working
CAT Forklift WR6000 8000 Service Manual
Original price was: 30.20Current price is: 20. USD
- Description
Description
Content:
SENB6650-01-00 Lift Trucks: WR6000, WR8000: Foreword
SENB6650-01-01 Lift Trucks: WR6000, WR8000: General Information and Features
SENB6650-01-02 Lift Trucks: WR6000, WR8000: Common Maintenance Practices
SENB6650-01-03 Lift Trucks: WR6000, WR8000: Controls and Indicators
SENB6650-01-04 Lift Trucks: WR6000, WR8000: Storage and Transportation
SENB6650-01-05 Lift Trucks: WR6000, WR8000: Maintenance
SENB6650-01-06 Lift Trucks: WR6000, WR8000: Hydraulics
SENB6650-01-07 Lift Trucks: WR6000, WR8000: Electrical
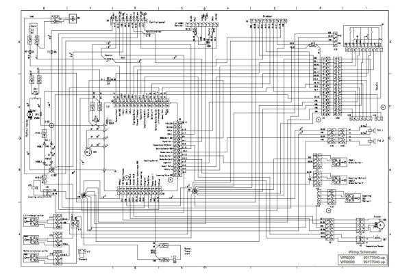
SENB6650-01-07a Lift Trucks: WR6000, WR8000: Electrical: Schematics
SENB6650-01-07a Lift Trucks: Wiring Schematic
SENB6650-01-08 Lift Trucks: WR6000, WR8000: Service Data
SENB6650-01-09 Lift Trucks: WR6000, WR8000: Planned Maintenance
This part manual inlcude all spare parts number you need inside this model, for you easier in fixing your forklift replace new spare part hight performance.
This service manual is a guide for servicing Cat Lift Trucks. For your convenience the instructions are grouped by systems as an easy reference.
This Original Instructions (Operator’s) Manual describes operating procedures, daily checks and simple maintenance for safe usage of your Cat lift truck.
SERVICE MANUAL
CHAPTER 1 GENERAL INFORMATION
1.1 Model View
1.2 Models Covered
1.2.1 Lift Truck Nomenclatures and Definitions
1.3 Serial Number Locations
1.4 Dimensions
1.5 Technical Data
1.6 Performance
CHAPTER 2 COOLING SYSTEM
2.1 Specifications
2.2 Structure
2.3 Removal and Installation
2.3.1 Fan Belt Removal
2.3.2 Suggestions for Removal
2.3.3 Installation
2.4 Inspection and Adjustment
2.4.1 Fan Belt Inspection
2.4.2 Fan Belt Tension
2.4.3 Connecting Hoses
2.4.4 Coolant
2.4.5 Radiator Cap
CHAPTER 3 ELECTRIC SYSTEM
3.1 Chassis Electrical Devices Wiring Outline
3.1.1 Harnesses Layout
3.1.2 Components Layout
3.2 Structure
3.2.1 Console Box
3.2.2 Major Electrical Components
3.2.3 Table of Lamps
3.3 Console Box
3.3.1 Disassembly
3.4 Battery Maintenance
3.4.1 State of Charge and Electrolyte Specific Gravity (S.G.) Adjustment
3.4.2 Specific Gravity Reading and State of Charge
3.4.3 Charging Precautions
3.5 Instrument Panel
3.5.1 Instrument Panel Screen Element
3.5.2 Basic Screen Display
3.5.3 Basic Operation
3.5.4 When An Error Occurs
3.5.5 Warning Lamps
3.5.6 Optional Functions
3.5.7 Hour Meters
3.5.8 Troubleshooting
3.6 Wire Color
3.6.2 List of Wire Colors
3.7 Troubleshooting
3.7.1 Starter System
3.7.2 Gauges
3.7.3 Lighting System
3.8 Electrical Schematic
CHAPTER 4 CONTROLLERS
4.1 Outline
4.2 Main Functions
4.2.2 Instrument Panel
4.2.3 VCM (Vehicle Control Module)1-M
4.2.4 ECM (Gasoline Engine Control Module)
4.2.5 Remote Input/Output Units
4.2.6 GSE Connector
4.3 Service Tool Functions
4.3.1 Service Tool Menus
4.3.2 Service Tool Box
4.4 Mast Interlock System
4.4.1 Function
4.4.2 VCM1-M Controller, Mast Interlock System Checking Procedure
4.4.3 Active Test Inspection Procedure
4.5 Driving Interlock System
4.5.1 Function
4.5.2 Driving Interlock System Checking Procedure for Powershift T/M Lift Trucks
4.5.3 Active Test Inspection Procedure
4.6 Seat Belt Warning Lamp
4.6.1 Function
4.6.2 Seat Belt Warning Lamp Checking Procedure
4.7 Parking Brake Warning Buzzer and Lamp
4.7.1 Function
4.7.2 Parking Brake Warning Buzzer/Lamp Checking Procedure
4.7.3 Parking Brake Warning Buzzer/Lamp Checking Procedure with Key in OFF Position
4.8 Harness Codes
4.9 Controller Details
4.9.1 VCM1-M Controller
4.9.2 Seat Switch/Seat Belt Switch
4.9.3 Parking Brake Switch
4.9.4 Direction Lever
4.9.5 Speed Sensor
4.9.6 T/M Solenoid
4.9.7 Unload Solenoid
4.9.8 Lift Lock Solenoid
4.9.9 Warning Buzzer
4.9.10 Warning Buzzer Relay
4.9.11 Warning Buzzer Circuit
4.9.12 Instrument Panel
4.10 Error Codes and Troubleshootings
4.10.1 Error Code Display
4.10.2 Diagnosis Table (F Code)
4.10.3 Error Codes and Troubleshooting
4.11 Locations of Sensors and Switches
CHAPTER 5 POWER TRAIN
5.1 Removal and Installation (MC Models)
5.1.1 Removal of Engine and Transmission Assembly
5.1.2 Removal of Engine and Transmission Assembly (for Gasoline-Engine Lift Trucks)
5.2 Removal and Installation (FC Models)
5.2.1 Removal of Engine and Transmission Assembly
CHAPTER 6 POWERSHIFT TRANSMISSION
6.1 Structure and Functions
6.1.1 Transmission
6.1.2 Torque Converter
6.1.3 Control Valve
6.1.4 Hydraulic System Schematic of Powershift Transmission
6.2 Removal and Installation
6.2.1 Removal
6.2.2 Installation
6.3 Control Valve
6.3.1 Disassembly
6.3.2 Reassembly
6.4 Input Shaft Assembly
6.4.1 Disassembly
6.5 Oil Pump Assembly
6.5.1 Disassembly
6.5.2 Reassembly
6.6 Inspection and Adjustment
6.6.1 Oil Pressure Measurement
6.6.2 Clutch (Inching) Pedal Adjustment
6.6.3 Inching Cable, Adjustment
6.7 Troubleshooting
6.8 Tightening Torque
6.9 Service Data
CHAPTER 7 FRONT AXLE AND REDUCTION DIFFERENTIAL
7.1 Structure
7.1.1 Front Axle
7.1.2 Reduction Differential
7.2 Removal and Installation
7.2.1 Front Wheels
7.3 Front Axle
7.3.2 Reduction Differential
7.4 Disassembly and Reassembly
7.4.1 Front Axle
7.4.2 Reduction Differential
7.5 Troubleshooting
7.6 Service Data
CHAPTER 8 REAR AXLE
8.1 Structure and Functions
8.1.1 Rear Axle in General
8.1.2 Structure of Each Component
8.1.3 Steering Cylinder
8.2 Removal and Installation
8.2.1 Rear Wheel and Rear Axle Assembly
8.3 Disassembly and Reassembly
8.3.1 Wheel Hub, Disassembly and Reassembly
8.3.2 Knuckle (King Pin), Disassembly and Reassembly
8.3.3 Steering Cylinder, Disassembly and Reassembly
8.3.4 Tie Rod, Disassembly and Reassembly
CHAPTER 9 BRAKE SYSTEM
9.1 Structure
9.1.1 Brake System
9.2 Disassembly and Reassembly
9.2.1 Master Cylinder
9.2.2 Wheel Brakes
9.2.3 Wheel Cylinder
9.3 Inspection and Adjustment
9.3.1 Automatic Adjuster Test
9.3.2 Manual Adjustment
9.3.3 Parking Brake Cable Adjustment
9.3.4 Brake Pedal Adjustment
9.3.5 Brake Lines Bleeding
9.3.6 Braking Performance Test
9.3.7 Parking Brake Lever
9.4 Troubleshooting
9.5 Service Data
CHAPTER 10 STEERING SYSTEM
10.1 Structure and Functions
10.1.1 Steering System
10.1.2 Steering Valve
10.1.3 Steering Column
10.2 Disassembly and Reassembly
10.2.2 Steering Wheel and Steering Valve, Removal and Installation
10.2.3 Steering Wheel
10.2.4 Steering Valve
10.2.5 Tilt Lock Lever
10.3 Steering Valve
10.3.1 Disassembly
10.3.2 Reassembly
10.4 Troubleshooting
10.5 Service Data
CHAPTER 11 HYDRAULIC SYSTEM
11.1 Structure and Functions
11.1.1 Outline
11.2 Hydraulic Circuit Diagram (For Models With MC Control Valve)
11.3 Hydraulic Circuit Diagram (For Models With FC Control Valve)
11.4 Hydraulic Tank
11.5 Hydraulic Pump (Gear Pump)
11.6 Control Valve
11.7 Flow Regulator Valve (for Models with FC Control Valve Only)
11.8 Down Safety Valve
11.9 Lift Cylinder
11.10 Tilt Cylinder
11.11 Disassembly and Reassembly
11.11.1 Hydraulic Pump
11.11.2 Lift Cylinder
11.11.3 Tilt Cylinder
11.11.4 Flow Regulator Valve
11.11.5 Piping
11.11.6 Suction Strainer and Return Filter
11.12 Inspection and Adjustment
11.12.1 Hydraulic Tank
11.12.2 Control Valve
11.12.3 Descent Test
11.12.4 Forward Tilt Test
11.13 Troubleshooting
11.13.2 Hydraulic System Cleaning After a Component Failure
11.14 Service Data
11.15 MC Control Valve
11.15.1 Structure and Operation
11.15.2 Control Valve, Removal and Installation
11.15.3 Disassembly and Assembly
11.16 FC Control Valve
11.16.1 Structure and Operation
11.16.2 Disassembly and Assembly
CHAPTER 12 MAST AND FORKS
12.1 Simplex Mast
12.1.1 Mast System
12.2 Structure and Functions
12.2.1 Simplex Mast (5A15C to 5A33C)
12.2.2 Mast Operation
12.3 Removal and Installation
12.3.1 Mast and Lift Bracket Assembly
12.4 Disassembly and Reassembly
12.4.1 Simplex Mast Disassembly
12.4.2 Simplex Mast Reassembly
12.5 Removal and Installation of Mast Rollers and Strips without Removing
12.5.1 Simplex Mast
12.6 Inspection and Adjustment (Simplex Mast)
12.6.2 Forks
12.6.3 Chain Tension Inspection and Adjustment
12.6.4 Checking Chain Elongation
12.6.5 Adjusting Clearance Between Lift Bracket Roller and Inner Mast
12.6.6 Mast Roller Clearance Adjustment
12.6.7 Mast Strip Clearance Inspection and Adjustment
12.6.8 Tilt Angle Adjustment
12.6.9 Right and Left Lift Cylinder Stroke Inspection and Adjustment
12.7 Troubleshooting (Simplex Mast)
12.8 Service Data (Simplex Mast)
12.9 Duplex Mast
12.9.1 Mast System
12.10 Structure and Functions
12.10.1 Duplex (Dual Full-Free Panoramic) Mast (5B15C to 5B33C)
12.10.2 Mast Operation
12.11 Removal and Installation
12.11.1 Mast and Lift Bracket Assembly
12.12 Disassembly and Reassembly
12.12.1 Duplex Mast Disassembly
12.12.2 Duplex Mast Reassembly
12.13 Removal and Installation of Mast Rollers and Strips without Removing
12.13.1 Duplex Mast
12.14 Inspection and Adjustment (Duplex Mast)
12.14.1 Inspection and Adjustment (Duplex Mast)
12.14.2 Forks
12.14.3 Chain Tension Inspection and Adjustment
12.14.4 Checking Chain Elongation
12.14.5 Adjusting Clearance Between Lift Bracket Roller and Inner Mast
12.14.6 Mast Roller Clearance Adjustment
12.14.7 Mast Strip Clearance Inspection and Adjustment
12.14.8 Tilt Angle Adjustment
12.14.9 Right and Left Lift Cylinder Stroke Inspection and Adjustment
12.15 Troubleshooting (Duplex Mast)
12.16 Service Data (Duplex Mast)
12.17 Triplex Mast
12.17.1 Mast System
12.18 Structure and Functions
12.18.1 Triplex (Triple Full-Free Panoramic) Mast (5C15C to 5C33C)
12.18.2 Mast Operation
12.19 Removal and Installation
12.19.1 Mast and Lift Bracket Assembly
12.20 Disassembly and Reassembly
12.20.1 Triplex Mast Disassembly
12.20.2 Triplex Mast Reassembly
12.21 Removal and Installation of Mast Rollers and Strips without Removing
12.21.1 Triplex Mast
12.22 Inspection and Adjustment (Triplex Mast)
12.22.2 Forks
12.22.3 Chain Tension Inspection and Adjustment
12.22.4 Checking Chain Elongation
12.22.5 Adjusting Clearance between Lift Bracket Roller and Inner Mast
12.22.6 Mast Roller Clearance Adjustment
12.22.7 Mast Strip Clearance Inspection and Adjustment
12.22.8 Tilt Angle Adjustment
12.22.9 Right and Left Lift Cylinder Stroke Inspection and Adjustment
12.23 Troubleshooting (Triplex Mast)
12.23.1 Troubleshooting (Triplex Mast)
12.24 Service Data (Triplex Mast)
12.24.1 Triplex Mast
CHAPTER 13 SERVICE DATA
13.1 Maintenance Schedule
13.2 Maintenance Note
13.2.1 Brake System
13.2.2 Cooling System
13.2.3 Electric System
13.2.4 Engine System
13.2.5 Frame and Chassis
13.2.6 Fuel System
13.2.7 Hydraulic System
13.2.8 Ignition System
13.2.9 Intake System
13.2.10 Front End Section
13.2.11 Steering and Axle System
13.2.12 T/M and Drive System
13.2.13 Wheels and Tires
13.2.14 General
13.3 Tightening Torque for Standard Bolts and Nuts
13.4 Periodic Replacement Parts
13.4.2 Location of Periodic Replacement Parts
13.5 Lubrication Instructions
13.5.1 Lubrication Chart
13.5.2 Fuel and Lubricant Specifications
13.5.3 Adjustment Value and Oil Quantities
13.6 Special Service Tools
13.6.1 Special Service Tools (Standard Tools for Both MC and FC LiftTrucks)
13.6.2 Special Service Tools (for FC Lift Truck Only)
13.6.3 Special Service Tools (for Powershift Transmission)
OPERRATION MANUAL
CHAPTER 1 SAFETY RULES AND PRACTICES
1.1 SAFETY SIGNS AND SAFETY MESSAGES
1.2 WARNING SYMBOLS AND LEVELS
1.3 OPERATOR QUALIFICATIONS
1.4 SAFETY GUARDS
1.5 PERSONAL PROTECTIVE EQUIPMENT FOR OPERATING LIFT TRUCK
1.6 DAILY INSPECTION
1.7 OPERATOR RESPONSIBILITY
1.8 GENERAL
1.9 NO RIDERS
1.10 TRAVELING
1.11 LOADING
1.12 DOCKBOARDS (BRIDGE PLATES), TRUCKS AND RAILROAD CARS
1.13 SURFACE AND CAPACITY
1.14 FUEL HANDLING
1.15 INSTALLATION OF ATTACHMENTS
1.16 IN CASE OF TIP-OVER
1.17 TRANSPORTING LIFT TRUCK
1.17.2 APPROACH ANGLE, DEPARTURE ANGLE AND GANGWAY
1.17.3 HOISTING (LIFTING) UP THE TRUCK
1.18 FUNCTION TESTS
1.19 TRACTION BAR
1.20 POSITION OF DATA AND CAPACITY PLATES AND DECALS
1.21 DATA AND CAPACITY PLATES AND DECALS
1.21.2 DATA PLATE
1.21.3 IDENTIFICATION NUMBERS
1.21.4 CAUTION DRIVE DECAL (IN CASE OF TIP-OVER DECAL)
1.21.5 WARNING DRIVE DECAL (TRAINED AND AUTHORIZED)
1.21.6 PINCH POINT DECAL
1.21.7 CAUTION FORK DECAL
1.21.8 MAST WARNING DECAL
1.21.9 CAUTION DRIVE DECAL (OPERATION)
1.21.10 RADIATOR WARNING DECAL
1.21.11 COOLING FAN WARNING DECAL
1.21.12 ADJ LPG WARNING DECAL
1.21.13 LPG LATCH WARNING DECAL
1.21.14 LPG FUEL WARNING DECAL
CHAPTER 2 OPERATING CONTROLS AND FUNCTIONS
2.1 APPLICATIONS
2.2 APPLICATION FOR CAT LIFT TRUCKS
2.3 PROHIBITED APPLICATIONS FOR CAT LIFT TRUCKS
2.4 MAIN COMPONENTS
2.5 METERS, INDICATORS AND WARNING LIGHTS
2.5.2 LCD
2.5.3 OPERATION BUTTONS
2.5.4 ! MULTIPURPOSE WARNING LIGHT
2.5.5 MALFUNCTION INDICATOR LIGHT-ENGINE CHECK WARNING
2.5.6 OIL PRESSURE WARNING LIGHT
2.5.7 CHARGE WARNING LIGHT
2.5.8 PARKING BRAKE WARNING LIGHT
2.5.9 SEAT BELT WARNING LIGHT
2.5.10 METER DISPLAY
2.5.11 WATER TEMPERATURE GAUGE
2.5.12 FUEL GAUGE
2.5.13 TRANSMISSION POSITION
2.6 MALFUNCTION AND WARNING INDICATIONS
2.6.2 MAST INTERLOCK WARNING
2.6.3 LPG LEVEL WARNING/LPG RACK LOCK WARNING
2.6.4 TORQUE CONVERTER FLUID TEMP WARNING
2.6.5 RADIATOR LEVEL WARNING
2.6.6 AIR CLEANER WARNING
2.6.7 SERVICE REMINDER DISPLAY
2.6.8 DISPLAYS WHEN MALFUNCTION OCCURS
2.7 DRIVER RECOGNITION MODE
2.8 LPG REMAINING TIME MANAGEMENT
2.9 SWITCHES
2.9.2 HORN BUTTON
2.9.3 REAR RIGHT GRIP WITH HORN BUTTON
2.9.4 IGNITION SWITCH
2.9.5 LIGHTING AND TURN SIGNAL SWITCHES
2.9.6 MAXIMUM SPEED CHANGE SWITCH (OPTION)
2.9.7 THROTTLE SENSITIVITY ADJUST SWITCH (OPTION)
2.9.8 BACK-UP OPERATION LIGHT SWITCH (OPTION)
2.10 OPERATING CONTROLS
2.10.2 SELECTOR LEVER
2.10.3 PARKING BRAKE LEVER
2.10.4 INCHING BRAKE PEDAL
2.10.5 BRAKE PEDAL
2.10.6 ACCELERATOR PEDAL
2.10.7 CARGO-HANDLING CONTROL LEVERS
2.10.8 ANSI/ITSDF STANDARDS FOR LIFT TRUCK CLAMP ATTACHMENTS
2.10.9 STEERING CHARACTERISTICS
CHAPTER 3 OPERATING THE LIFT TRUCK
3.1 OPERATION
3.2 INSPECTION BEFORE OPERATING
3.3 LIFT TRUCK OPERATING PRECAUTIONS
3.4 PRECAUTIONS FOR COLD AND HOT WEATHER
3.5 OPERATIONAL PROCEDURES
3.6 LPG LIFT TRUCK STARTING
3.7 PROCEDURE FOR JUMP STARTING EFI ENGINES
3.8 AUTOMATIC TRANSMISSION
3.9 LOADING
3.10 TRANSPORTING LOADS
3.11 UNLOADING
3.12 CLIMBING
3.13 STOPPING AND PARKING THE LIFT TRUCK
3.14 FORKS
3.15 SEAT ADJUSTMENT
3.15.1 SUSPENSION SEAT OPERATOR’S WEIGHT ADJUSTMENT
3.15.2 FORWARD AND BACKWARD CONTROL LEVER
3.15.3 BACKREST INCLINATION ADJUSTMENT
3.15.4 LUMBAR ADJUSTMENT
3.15.5 SWIVEL SEAT
3.16 SEAT BELT
3.17 TOP PANEL
3.18 TILT STEERING WHEEL
3.19 SERVICE RELEASE LATCH
3.20 RADIATOR COVER
3.21 REARVIEW MIRROR (OPTION)
3.22 LPG CYLINDER (TANK) HOLDER
CHAPTER 4 GENERAL CARE AND MAINTENANCE
4.1 WET CELL BATTERY CARE AND MAINTENANCE
4.2 BATTERY SPECIFIC GRAVITY
4.3 DAILY INSPECTION
4.4 OPERATOR’S DAILY CHECKLIST (SAMPLE)
4.5 MAINTENANCE AND INSPECTION
4.5.1 ENGINE OIL LEVEL
4.5.2 REFILLING ENGINE OIL
4.5.3 ENGINE COOLANT LEVEL
4.5.4 REFILLING ENGINE COOLANT
4.5.5 COOLING SYSTEM BLEEDING INSTRUCTIONS
4.5.6 BRAKE FLUID LEVEL
4.5.7 REFILLING BRAKE FLUID
4.5.8 AUTOMATIC TRANSMISSION FLUID LEVEL
4.5.9 REFILLING AUTOMATIC TRANSMISSION FLUID
4.5.10 HYDRAULIC OIL LEVEL
4.5.11 REFILLING HYDRAULIC OIL
4.5.12 STEERING WHEEL PLAY
4.5.13 WHEEL AND TIRE
4.5.14 TIRE REPLACEMENT
4.5.15 CHECKING MAST
4.5.16 CHECKING LIFT CHAIN
4.5.17 FORK INSPECTION
4.5.18 FORK REPAIR
4.5.19 CHECKING HORN
4.5.20 CHECKING LIGHTS
4.5.21 CHECKING CARGO-HANDLING CONTROL LEVER(S)
4.5.22 CHECKING BRAKE PEDAL
4.5.23 PEDAL FREE PLAY
4.5.24 CHECKING PARKING BRAKE LEVER
4.5.25 CHECKING TOP PANEL LOCK
4.5.26 FUSES
4.5.27 CHECKING AIR CLEANER
4.5.28 CHECKING FAN BELT
4.5.29 DRAINING OF TAR FROM THE VAPORIZER
4.5.30 PRECAUTIONS FOR USING LPG
4.5.31 RECOMMENDED LPG FUEL TYPE
4.5.32 CYLINDER (TANK) SIZE
4.5.33 LPG CYLINDER (TANK) REPLACEMENT
4.5.34 REFILLING LPG CYLINDERS (TANKS)
4.5.35 PERIODIC MAINTENANCE AND LUBRICATION SCHEDULE
4.5.36 PERIODIC MAINTENANCE AND LUBRICATION SCHEDULE FOR EMISSION CONTROL SYSTEM
4.5.37 LUBRICATION CHART
4.5.38 RECOMMENDED LUBRICANTS
4.5.39 RECOMMENDED SAE VISCOSITY CHART
4.5.40 PUTTING LIFT TRUCK IN STORAGE
4.6 SIDE SHIFT
4.6.1 OVERVIEW OF SIDE SHIFT
4.6.2 MAIN TERMS USED IN THIS SECTION
4.6.3 SAFETY RULES AND PRACTICES
4.6.4 SIDE SHIFT CONTROL LEVER OPERATION
4.6.5 SIDE SHIFT OPERATION
4.6.6 DAILY CHECKS AND SIMPLE MAINTENANCE
CHAPTER 5 SPECIFICATIONS
5.1 MODEL IDENTIFICATION
5.1.1 MODEL VARIATION (LONG MODEL CODE) BREAKDOWN
5.2 MAIN TRUCK
5.2.1 MAIN TRUCK – 2C7000 AND 2C8000/2C8000-SWB
5.3 MAST
5.3.1 2C7000 AND 2C8000/2C8000-SWB
5.4 FUEL AND OIL CAPACITY
5.5 ENGINE
5.6 ENGINE OIL CAPACITY
5.7 NOISE LEVEL
CAT FULL PROGRAM: ” CLICK HERE “
CAT PDF FULL COLLECTION: ” CLICK HERE “












