Expert Support
Full Speed
100% Working
Caterpillar Forklift GC15K Service Manual 2010
Original price was: 30.20Current price is: 20. USD
- Description
Description
Caterpillar Forklift GC15K Service Manual 2010
Size : 13.1 MB
Format : PDF
Language : English
Brand: CAT-Caterpillar
Type of machine: Forklift
Type of document: Service Manual, Operation & Maintenance Manual
Model: Caterpillar GC15K Forklift
Date:
Serial Number:
AT81C-00011-up
AT81D-00011-up
AT81E-00011-up
Content:
Caterpillar Forklift GC15K Service Manual 99719-80150-00 Chassis and Mast: Foreword 3/1/2010 0.04 MB
Caterpillar Forklift GC15K Service Manual 99719-80150-01 Chassis and Mast: General Information 3/1/2010 0.16 MB
Caterpillar Forklift GC15K Service Manual 99719-80150-02 Chassis and Mast: Cooling System 3/1/2010 0.09 MB
Caterpillar Forklift GC15K Service Manual 99719-80150-03 Chassis and Mast: Electrical System 3/1/2010 0.18 MB
Caterpillar Forklift GC15K Service Manual 99719-80150-03a Chassis and Mast: Wiring Schematic 3/1/2010 0.41 MB
Caterpillar Forklift GC15K Service Manual 99719-80150-04 Chassis and Mast: Power Train 3/1/2010 0.11 MB
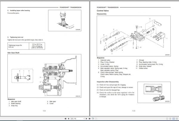
Caterpillar Forklift GC15K Service Manual 99719-80150-05 Chassis and Mast: Powershift Transmission 3/1/2010 1.05 MB
Caterpillar Forklift GC15K Service Manual 99719-80150-06 Chassis and Mast: Front Axle and Reduction Differential 3/1/2010 0.37 MB
Caterpillar Forklift GC15K Service Manual 99719-80150-07 Chassis and Mast: Rear Axle 3/1/2010 0.51 MB
Caterpillar Forklift GC15K Service Manual 99719-80150-08 Chassis and Mast: Brake System 3/1/2010 0.41 MB
Caterpillar Forklift GC15K Service Manual 99719-80150-09 Chassis and Mast: Steering System 3/1/2010 0.30 MB
Caterpillar Forklift GC15K Service Manual 99719-80150-10 Chassis and Mast: Fuel System 5/25/2011 0.07 MB
Caterpillar Forklift GC15K Service Manual 99719-80150-11 Chassis and Mast: Hydraulic System 3/1/2010 0.79 MB
Caterpillar Forklift GC15K Service Manual 99719-80150-12 Chassis and Mast: Mast and Forks 3/1/2010 0.78 MB
Caterpillar Forklift GC15K Service Manual 99719-80150-13 Chassis and Mast: Service Data 3/1/2010 0.27 MB
Caterpillar Forklift GC15K Service Manual 99729-85100-00 Liquefied Petroleum Gas Supplement: Foreword 3/1/2010 0.03 MB
Caterpillar Forklift GC15K Service Manual 99729-85100-01 Liquefied Petroleum Gas Supplement: Types of LP Gas 3/1/2010 0.04 MB
Caterpillar Forklift GC15K Service Manual 99729-85100-02 Liquefied Petroleum Gas Supplement: Structure and Function 3/1/2010 0.12 MB
Caterpillar Forklift GC15K Service Manual 99729-85100-03 Liquefied Petroleum Gas Supplement: Actions to be taken in the event of a failure 3/1/2010 0.04 MB
Caterpillar Forklift GC15K Service Manual 99729-85100-04 Liquefied Petroleum Gas Supplement: Troubleshooting 3/1/2010 0.01 MB
Caterpillar Forklift GC15K Service Manual 99729-85100-05 Liquefied Petroleum Gas Supplement: Disassembly and Reassembly 3/1/2010 0.39 MB
Caterpillar Forklift GC15K Service Manual 99729-85100-06 Liquefied Petroleum Gas Supplement: Inspection and Adjustment 3/1/2010 0.05 MB
Caterpillar Forklift GC15K Service Manual 99729-85100-07 Liquefied Petroleum Gas Supplement: CARB Tier 1 Emissions Control System 3/1/2010 0.62 MB
Caterpillar Forklift GC15K Service Manual 99729-85100-08 Liquefied Petroleum Gas Supplement: Systems Operations 3/1/2010 0.01 MB
Caterpillar Forklift GC15K Service Manual 99729-85100-09 Liquefied Petroleum Gas Supplement: Subsystem Operating Principles 3/1/2010 0.02 MB
Caterpillar Forklift GC15K Service Manual 99729-85100-10 Liquefied Petroleum Gas Supplement: System Adjustments 3/1/2010 0.10 MB
Caterpillar Forklift GC15K Service Manual 99729-85100-11 Liquefied Petroleum Gas Supplement: S-15G Troubleshooting 3/1/2010 0.04 MB
Caterpillar Forklift GC15K Service Manual 99729-85100-12 Liquefied Petroleum Gas Supplement: Vacuum System Diagram and Wiring Schematics 3/1/2010 0.40 MB
Caterpillar Forklift GC15K Service Manual 99729-85100-12a Liquefied Petroleum Gas Supplement: Vacuum System Electrical Schematics 3/1/2010 0.32 MB
Caterpillar Forklift GC15K Service Manual 99729-85100-13 Liquefied Petroleum Gas Supplement: Inspection and Adjustment 3/1/2010 0.01 MB
Caterpillar Forklift GC15K Service Manual 99729-85110-00 Engine: 4G63, 4G64 Fuel System Supplement: Foreword 3/1/2010 0.04 MB
Caterpillar Forklift GC15K Service Manual 99729-85110-01 Engine: 4G63, 4G64 Fuel System Supplement: General Information 3/1/2010 0.05 MB
Caterpillar Forklift GC15K Service Manual 99729-85110-02 Engine: 4G63, 4G64 Fuel System Supplement: Maintenance 3/1/2010 0.15 MB
Caterpillar Forklift GC15K Service Manual 99729-85110-03 Engine: 4G63, 4G64 Fuel System Supplement: LPG Fuel System Operation 3/1/2010 0.78 MB
Caterpillar Forklift GC15K Service Manual 99729-85110-04 Engine: 4G63, 4G64 Fuel System Supplement: Fuel System Diagnostics 3/1/2010 0.57 MB
Caterpillar Forklift GC15K Service Manual 99729-85110-05 Engine: 4G63, 4G64 Fuel System Supplement: Symptom Diagnosis 3/1/2010 0.08 MB
Caterpillar Forklift GC15K Service Manual 99729-85110-06 Engine: 4G63, 4G64 Fuel System Supplement: Wiring Schematics 3/1/2010 0.85 MB
Caterpillar Forklift GC15K Service Manual 99729-85110-06a Engine: 4G63, 4G64 Fuel System Supplement: Electrical Schematics 3/1/2010 0.15 MB
Caterpillar Forklift GC15K Service Manual 99729-85110-07 Engine: 4G63, 4G64 Fuel System Supplement: Diagnostic Trouble Codes 3/1/2010 1.58 MB
Caterpillar Forklift GC15K Service Manual 99729-85110-08 Engine: 4G63, 4G64 Fuel System Supplement: Fuel System Diagnostics 3/1/2010 0.43 MB
Caterpillar Forklift GC15K Service Manual 99739-92100-00 Options Supplement: Foreword 3/1/2010 0.19 MB
Caterpillar Forklift GC15K Service Manual 99739-92100-01 Options Supplement: Rear Combination Lamp Kit 3/1/2010 0.04 MB
Caterpillar Forklift GC15K Service Manual 99739-92100-02 Options Supplement: Working Lamp Kit 3/1/2010 0.02 MB
Caterpillar Forklift GC15K Service Manual 99739-92100-03 Options Supplement: Warning Lamp Kit 3/1/2010 0.04 MB
Caterpillar Forklift GC15K Service Manual 99739-92100-04 Options Supplement: Back Buzzer Piezo Kit 3/1/2010 0.03 MB
Caterpillar Forklift GC15K Service Manual 99739-92100-05 Options Supplement: Back Mirror Kit 3/1/2010 0.03 MB
Caterpillar Forklift GC15K Service Manual 99739-92100-06 Options Supplement: Oil Filter Kit (1-Ton Model) 3/1/2010 0.05 MB
Caterpillar Forklift GC15K Service Manual 99739-92100-07 Options Supplement: Oil Filter Kit (2-, 3-Ton Models) 3/1/2010 0.04 MB
Caterpillar Forklift GC15K Service Manual 99739-92100-08 Options Supplement: Enclosed Alternator Kit 3/1/2010 0.04 MB
Caterpillar Forklift GC15K Service Manual 99739-92100-09 Options Supplement: Spark Plug Kit 3/1/2010 0.02 MB
Caterpillar Forklift GC15K Service Manual 99739-92100-10 Options Supplement: Fastener Kit 3/1/2010 0.03 MB
Caterpillar Forklift GC15K Service Manual 99739-92100-11 Options Supplement: Front Axle Breather Kit 3/1/2010 0.02 MB
Caterpillar Forklift GC15K Service Manual 99739-92100-12 Options Supplement: Wide Axle Kit (2-. 3-Ton Models) 3/1/2010 0.02 MB
Caterpillar Forklift GC15K Service Manual 99739-92100-13 Options Supplement: Semi Wide Axle Kit (1-Ton Model) 3/1/2010 0.02 MB
Caterpillar Forklift GC15K Service Manual 99739-92100-14 Options Supplement: Semi Wide Axle Kit (2-, 3-Ton Models) 3/1/2010 0.03 MB
Caterpillar Forklift GC15K Service Manual 99739-92100-15 Options Supplement: Dual Element Kit 3/1/2010 0.04 MB
Caterpillar Forklift GC15K Service Manual 99739-92100-16 Options Supplement: Dust Indicator Kit 3/1/2010 0.09 MB


















