Expert Support
Full Speed
100% Working
CAT Spare Parts List Software
Original price was: 310.80Current price is: 80. USD
- Description
Description
Caterpillar Full Service Manual [2019]
High speed link download
Instruction: Present
COMBO INCLUDING:
1/ CAT Telehandler Workshop Manual Updated New 11.2018
Size: 8.39Gb
Language: English
Brand: CAT
Type of machine: CAT Telehandler
Type of document: Operation Information, Parts Information, Service Information
Windows: All Window 32 & 64bit
Format document: pdf
Updated New 11.2018

2/ Caterpillar SIS 2019 Full [01.2019]
Size : 132,93 GB
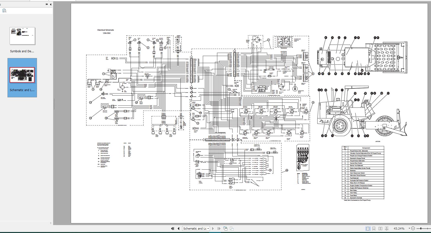
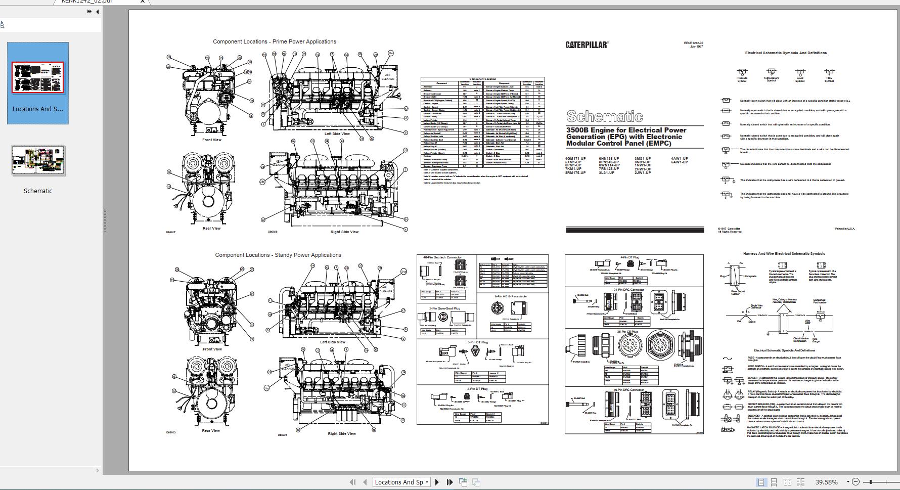
Parts catalogs, Repair manuals, Wiring and hydraulic diagrams
Region: All regions
Type: Parts catalogs, Repair manuals, Wiring and hydraulic diagrams
Year: 01.2019
Date of update: JAN 2019
Languages: English, Dutch, Spanish, Italian, Chinese, German, French
Win: WinXP ,VISTA, Win 7, WIN8,Windows 10
Quantity of DVD: 31 DVD DL
LINK MEGA, LINK GOOGLE DRIVE
Instruction full: Present

3/ CATERPILLAR WAREHOUSE Forklift [04.2018]
Size: 359mb
Language: English
Operating by Linkone WinView 5.4
Type: CATERPILLAR WAREHOUSE Spare Part Catalog
License + Key: Present
Instruction: Present
1DVD ISO
Year: 04.2018

4/ Caterpillar Wiring Diagrams Full
Size: 605 MB – PDF Files























