-33%
✓
Expert Support
✓
Full Speed
✓
100% Working
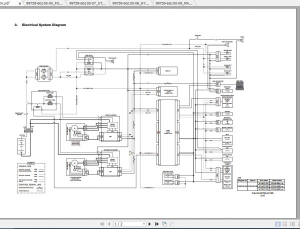
Caterpillar Lift Truck EP10KRT PAC Service Manuals
Caterpillar Lift Truck EP10KRT PAC Service Manuals
Size: 24.5 MB
Format: PDF
Language: English
Brand: CAT – Caterpillar
Type of machine: Forklift Truck
Type of document: Service Manuals
Model: CAT EP10KRT PAC
Content:
– 17 Items PDF
Original price was: 30.20Current price is: 20. USD
- Description
Description
Caterpillar Lift Truck EP10KRT PAC Service Manuals
Size: 24.5 MB
Format: PDF
Language: English
Brand: CAT – Caterpillar
Type of machine: Forklift Truck
Type of document: Service Manuals
Model: CAT EP10KRT PAC
Content:
– 17 Items PDF














