Expert Support
Full Speed
100% Working
Caterpillar Telehandler TH330B SLB Maintenance Service Manual Schematics
50 USD
- Description
Description
List of Files:
-Disassembly and Assembly
RENR2411 3054E Engine for Caterpillar Built Machines.pdf
RENR7704 TH220B and TH330B Telehandlers Engine Supplement.pdf
RENR7706 TH220B and TH330B Telehandlers Power Train.pdf
RENR771 TH220B and TH330B Telehandlers Machine Systems.pdf
SENR5664 Air Conditioning and Heating R134a for All Caterpillar Machines.pdf
-Maintenance Section
SEBU7708 TH220B TH330B and TH340B Telehandlers.pdf
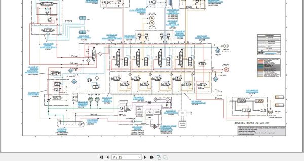
-Schematics
RENR7710 TH220B TH330B AND TH340B Telehandler Hydraulic System (Interactive) Collage.pdf
RENR7710 TH220B TH330B AND TH340B Telehandler Hydraulic System (Interactive).pdf
RENR7712 TH220B TH330B and TH340B Telehandler Electrical System (Interactive) 224-3204-00 Main.pdf
RENR9851 TH220B TH330B and TH340B Telehandler Electrical System 276-4644 Main Schematics.pdf
SENR3981 Electrical Power Graphic Symbols.pdf
SENR3981 Fluid Power Graphic Symbols.pdf
TH220B TH330B and TH340B Telehandler Electrical System (Interactive) 224-3204-00 Collage.pdf
TH220B TH330B and TH340B Telehandler Electrical System 276-4644 Schematics Collage.pdf
-Testing and Adjusting
RENR2410 3054E Engines for Caterpillar Built Machines.pdf
RENR5185 TH220B TH330B TH340B TH350B TH355B TH360B TH460B TH560B and TH580B Telehandlers Power Train.pdf
RENR5189 TH220B TH330B TH340B TH350B TH355B TH360B TH460B TH560B and TH580B Telehandlers Steering System.pdf
RENR5190 TH220B TH330B TH340B TH350B TH355B TH360B TH460B TH560B and TH580B Telehandlers Braking System.pdf
RENR5195 TH220B TH330B TH340B TH350B TH355B TH360B TH460B TH560B and TH580B Telehandlers.pdf
RENR5196 TH220B TH330B TH340B TH350B TH355B TH360B TH460B TH560B and TH580B Telehandlers Longitudinal Stability Indicator System.pdf
RENR6704 TH220B TH330B TH340B TH350B TH355B TH360B TH460B TH560B and TH580B Telehandlers Machine Monitor System.pdf
RENR7707 TH220B TH330B and TH340B Telehandlers Hydraulic System.pdf
-Troubleshooting
ENR2417 3054E and 3056E Industrial Engines and Engines for Caterpillar Built Machines.pdf
RENR5195 TH220B TH330B TH340B TH350B TH355B TH360B TH460B TH560B and TH580B Telehandlers.pdf



















