-10%
✓
Expert Support
✓
Full Speed
✓
100% Working
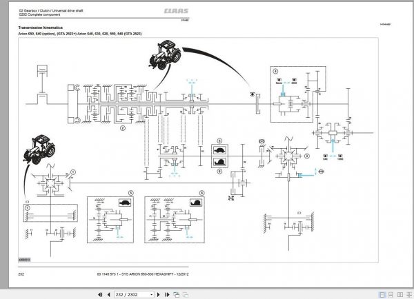
Claas ARION 650-620 550-530 Technical System Service Manual EN
Claas ARION 650-620, 550-530 Technical System, Service Manual EN Size: 280 MB Format: PDF Language: Brand: Claas Type of document: Service Parts – Technical Systems Model: Claas ARION 650-620 Service Manual Claas ARION 550-530 Service Manual Number of pages: 2302 pages
Original price was: 200.180Current price is: 180. USD
- Description
Description
Claas ARION 650-620, 550-530 Technical System, Service Manual EN
Size: 280 MB
Format: PDF
Language:
Brand: Claas
Type of document: Service Parts – Technical Systems
Model:
Claas ARION 650-620 Service Manual
Claas ARION 550-530 Service Manual
Number of pages: 2302 pages



















