-38%
✓
Expert Support
✓
Full Speed
✓
100% Working
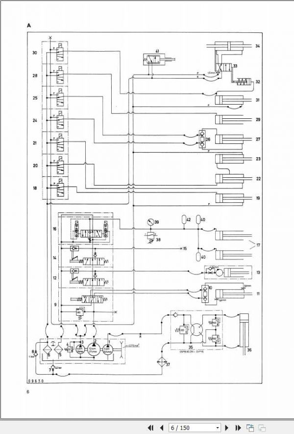
Claas Forage Harvester JAGUAR 690 – 675 Hydraulics & Electrics Systems
Claas Forage Harvester JAGUAR 690 – 675 Hydraulics & Electrics Systems
Size: 9.91 MB
Format: PDF
Language: English
Brand: CLAAS
Type of Machine: Forage Harvester
Type of document: Technical System, Hydraulics & Electrics Systems
Model: Claas JAGUAR 690 – 675 Forage Harvester
Number of Pages: 150 pages
Part Number: 1851672
Original price was: 80.50Current price is: 50. USD
- Description
Description
Claas Forage Harvester JAGUAR 690 – 675 Hydraulics & Electrics Systems
Size: 9.91 MB
Format: PDF
Language: English
Brand: CLAAS
Type of Machine: Forage Harvester
Type of document: Technical System, Hydraulics & Electrics Systems
Model: Claas JAGUAR 690 – 675 Forage Harvester
Number of Pages: 150 pages
Part Number: 1851672















