Expert Support
Full Speed
100% Working
Claas Tractors ARION 430 – 410 Diagnostics EN Repair Manual
Original price was: 100.80Current price is: 80. USD
- Description
Description
Claas Tractors ARION 430 – 410 Diagnostics EN Repair Manual
Size: 109 MB
Format: PDF
Language: English
Brand: CLAAS
Type of Machine: Tractor
Type of document: Diagnosis Repair Manual
Model: Claas ARION 430 – 410 Tractors
Date Modified: 11/2009
Reference No.: 0011397290
Contents:
Claas ARION 430-410 Diagnostics 1 Engine EN Repair Manual.pdf
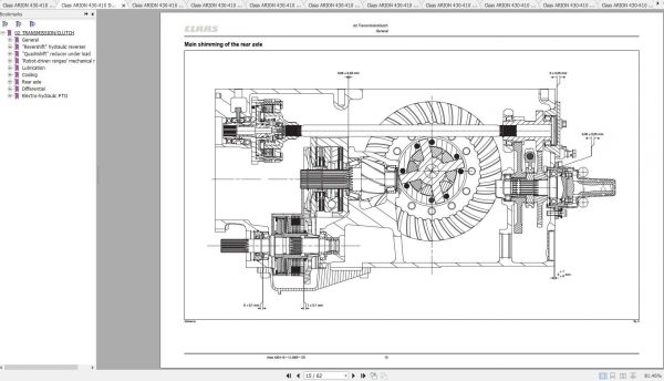
Claas ARION 430-410 Diagnostics 2 Transmission Clutch EN Repair Manual.pdf
Claas ARION 430-410 Diagnostics 3 Frame EN Repair Manual.pdf
Claas ARION 430-410 Diagnostics 4 Brake EN Repair Manual.pdf
Claas ARION 430-410 Diagnostics 5 Steering EN Repair Manual.pdf
Claas ARION 430-410 Diagnostics 6 Lifting Device EN Repair Manual.pdf
Claas ARION 430-410 Diagnostics 7 EN Repair Manual.pdf
Claas ARION 430-410 Diagnostics 9 Hydraulic EN Repair Manual.pdf
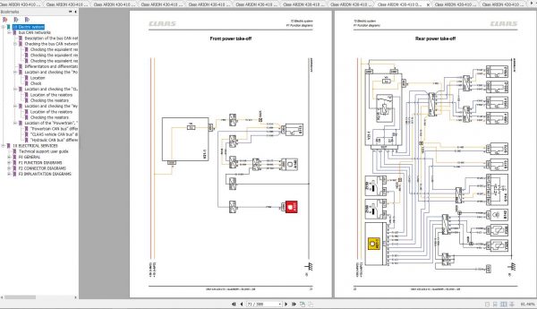
Claas ARION 430-410 Diagnostics 10 Electric System EN Repair Manual.pdf
Claas ARION 430-410 Diagnostics Component Number EN Repair Manual.pdf
Claas ARION 430-410 Diagnostics Error Codes EN Repair Manual.pdf
Claas ARION 430-410 Diagnostics Reparation EN Repair Manual.pdf















