Expert Support
Full Speed
100% Working
Doosan Excavator Solar 225LC-V Shop Manual 023-00058E
20 USD
- Description
Description
Contents:
Safety
Track Excavator Safety
Specifications
Specifications for Solar 225LC-V
General Maintenance
General Maintenance Procedures
Standard Torques
Upper Structure
Cab
Counterweight
Fuel Tank
Fuel Transfer Pump
Swing Bearing
Swing Reduction Gearbox
Lower Structure and Chassis
Track Assembly
Engine and Drive Train
Air-Conditioner
Drive Coupling (Main Pump)
Hydraulics
Hydraulic System Troubleshooting, Testing and Adjustment
Accumulator
Center Joint (Swivel)
Cylinders
Swing Motor
Travel Motor (With Gearbox) (GM35VL)
Main Pump (With Regulator)
Main Control Valve (Kayaba)
Pilot Control Valve (Work Lever / Joystick)
Travel Control Valve (With Damper)
Hydraulic Schematic (Solar 225LC-V/225NLC-V)
Electrical System
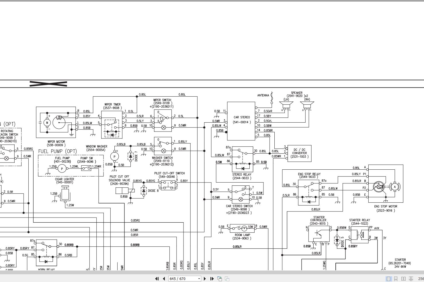
Electrical Schematic (Solar 225LC-V/225NLC-V)
Attachments
Boom and Arm
Bucket
Publication Request for Proposed Revision












