-60%
✓
Expert Support
✓
Full Speed
✓
100% Working
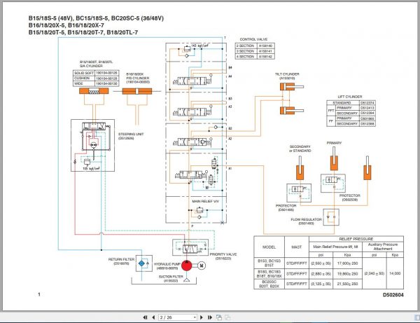
Doosan Forklift SB4450E_Hydraulic Schematic Diagram Full Version
Doosan Forklift SB4450E_Hydraulic Schematic Diagram Full Version
Size: 4.17Mb
Format : PDF
Language : English
Brand: Doosan Infracore
Type of Machine: Doosan Infracore Forklift
Window: All Window 32 & 64 bit
Publishcation Code: SB4450E
Type of document: Electric Schematic Diagram Full Version
Updated Series -7
Original price was: 200.80Current price is: 80. USD
- Description
Description
Doosan Forklift SB4450E_Hydraulic Schematic Diagram Full Version
Size: 4.17Mb
Format : PDF
Language : English
Brand: Doosan Infracore
Type of Machine: Doosan Infracore Forklift
Window: All Window 32 & 64 bit
Publishcation Code: SB4450E
Type of document: Electric Schematic Diagram Full Version
Updated Series -7















