Expert Support
Full Speed
100% Working
Epiroc Drill Rig Simba S7 D Hydraulic Electrical Schematic
20 USD
- Description
Description
Contents:
Pneumatic Diagram
Scheme / Air/Water Schedule Mk3
Man.Grease Syst / Man.Grease Equipment
Scheme / Air Water Schedule Mk4
Air Schedule / Thread Lubrication
Scheme / Flow Diagram, Gar30 Compressor
Control Diagram
Scheme / Certiq
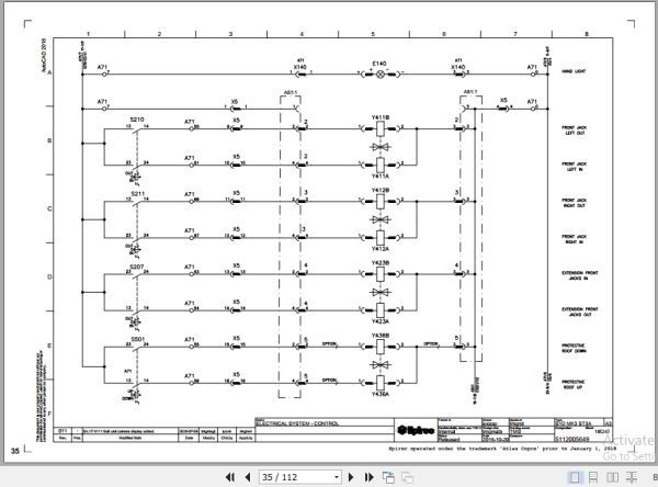
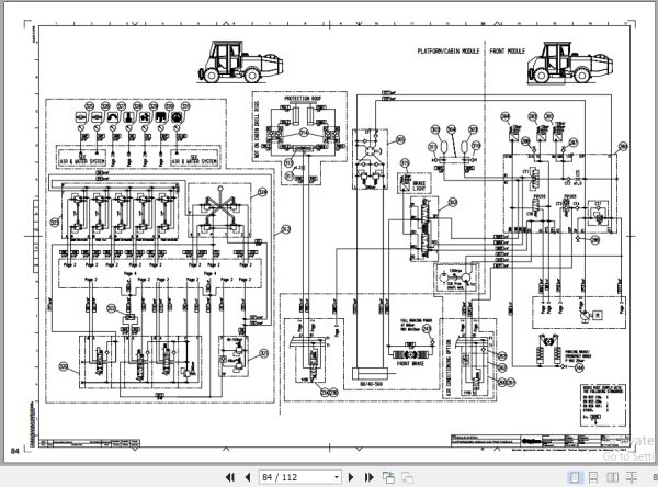
Electrical Diagram
Connection Diag / Thread Lubrication
Circuit Diagram / 24v
Connection Diag / 24v
Controlsyst El. / Rhs
Circuit Diagram / Rhs
Connection Diag / A10
Circuit Diagram / A10
El.Circ.Diagram / Water Mist/Bsh+Tapping/Stinger
Circuit Diagram / Emergency Stop A48
Connection Diag / Emergency Stop A10
Circuit Diagram / Drillpanel A20
Fire Protection Diagram
Scheme / Ansul Fire Suppression System
Hydraulic Diagram
Hydr. Diagram / Complete System
Hydr. Schedule / Thread Lubrication
Mechanical – Overview
Dim. Drawing / Dim. Drawing
Coverage Area / Coverage Area,Face Drilling
Dim. Drawing / Turn Radius
Dim. Drawing / Risk Area , Work
Dim. Drawing / Risk Area , Transport
Strop Instr. / Strop Instr.
Feed / Bmhp 6805 Me
Coverage Area / Coverage Area,Roof Drilling
Coverage Area / Coverage Area,Face Drilling
Strop Instr. / Boom
Drawing / Boom Alignment Laser
Drawing / Boom Alignment Laser















