-33%
✓
Expert Support
✓
Full Speed
✓
100% Working
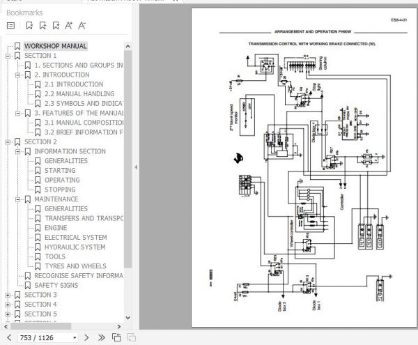
Fiat Hitachi Wheel Excavator FH90W Workshop Manual
Fiat Hitachi Wheel Excavator FH90W Workshop Manual
Size: 76.0 MB
Format: PDF
Language: English
Brand: Fiat Hitachi
Type of machine: Wheel Excavator
Type of document: Workshop Manual
Model: Fiat Hitachi FH90W Wheel Excavator
Number of Pages: 1126 Pages
Print No: 604.06.961
20 USD
- Description
Description
Fiat Hitachi Wheel Excavator FH90W Workshop Manual
Size: 76.0 MB
Format: PDF
Language: English
Brand: Fiat Hitachi
Type of machine: Wheel Excavator
Type of document: Workshop Manual
Model: Fiat Hitachi FH90W Wheel Excavator
Number of Pages: 1126 Pages
Print No: 604.06.961














