Expert Support
Full Speed
100% Working
Ford Bronco 2022 Electrical Wiring Diagram & Connector Viewer
Original price was: 200.100Current price is: 100. USD
- Description
Description
Ford Bronco 2022 Electrical Wiring Diagram & Connector Viewer
Ford Bronco 2022 Electrical Wiring Diagram & Connector Viewer
Size: 133 MB
Format: PDF
Language: English
Brand: Ford
Type of Machine: Automobile
Type of Document: Electrical Wiring Diagram & Connector Viewer
Date: 2022
Model: 2022 Ford Bronco EWD Wiring Diagrams
Content:
BCM-ABS
Diagram
Fuse & Relay
Connector Viewer
Details:
* Diagrams:
Audio System
Automatic Climate Control System
Charging System
Climate Controlled Seats
Cluster and Panel Illumination
Cooling Fan
Connector View
Cruise Control
Customer Access
Electronic Engine Controls – 2.3L
Electronic Engine Controls – 2.7L
Electronic Engine Controls – 3.0L
Fog Lamps
Four Wheel Drive Systems
Fuse and Relay
Grounds
Headlamps-Autolamps
Heated Window
Horn-Cigar Lighter
Instrument Cluster
Interior Lamps
Manual Climate Control System
Module Communications Network
Parking Aid
Parking, Rear and License Lamps
Passive Anti-Theft System
Power Distribution-BCM
Power Mirrors
Power Seats
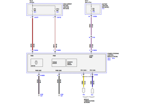
Power Steering Controls
Power Windows
Remote Keyless Entry and Alarm
Reversing Lamps
Shift Interlock
Starting System
Supplemental Restraint System
Tire Pressure Monitor System
Trailer-Camper Adapter
Transmission Controls – 10R60
Turn Signal-Stop-Hazard Lamps
Vehicle Dynamic Suspension
Vehicle Dynamic Systems
Vehicle Emergency Messaging System
Wipers and Washers



















