Expert Support
Full Speed
100% Working
Ford Explorer 2015 Electrical Wiring Diagram
Original price was: 30.20Current price is: 20. USD
- Description
Description
Ford Explorer 2015 Electrical Wiring Diagram
Size : 41.2 MB
Format : PDF
Language : English
Brand: Ford Explorer
Type of machine: Automotive
Type of document: Electrical Wiring Diagram
Model: Ford Explorer 2015
Content:
Adjustable Pedal
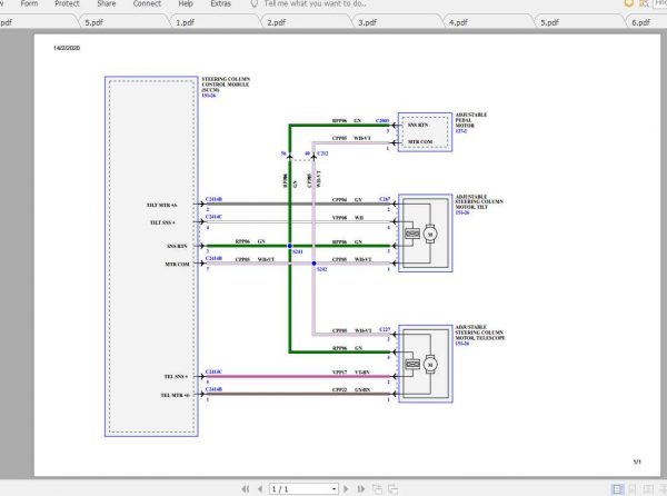
Adjustable Steering Column
All Wheel Drive (AWD)
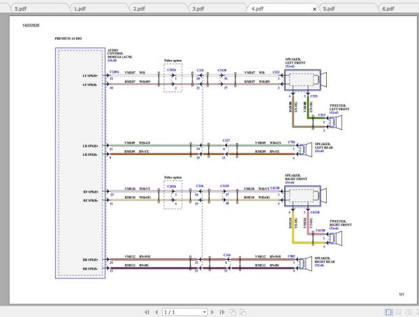
Audio System Navigation –
Automatic Climate Control System
Auxiliary Climate Control
Charging System
Climate Controlled Seats
Cluster and Panel Illumination
Component Location Views
Cooling Fan
Cruise Control
Electronic Engine Controls – 2.0L GTDI
Electronic Engine Controls – 3.5L GTDI
Electronic Engine Controls – 3.5L-3.7L TIVCT
Fog Lamps
Fuse and Relay Information
Grounds
Headlamps Autolamps
Heated Window
Horn Cigar Lighter
Instrument Cluster
Interior Lamps
Manual Climate Control System
Memory Seats
Module Communications Network
Parking Aid
Parking, Rear and License Lamps
Passive Anti-Theft System
Police Option
Power Distribution
Power Liftgate
Power Mirrors
Power Seats
Power Steering Controls
Power Windows
Remote Keyless Entry and Alarm
Reversing Lamps
Roof Opening Panel
Shift Interlock
Starting System
Supplemental Restraint System
Tire Pressure Monitor System
Trailer Camper Adapter
Transmission Controls -6F35
Transmission Controls -6F50-6F55
Turn Signal Stop Hazard Lamps
Vehicle Dynamic Systems
Vehicle Emergency Messaging System
Wipers and Washers

















