-33%
✓
Expert Support
✓
Full Speed
✓
100% Working
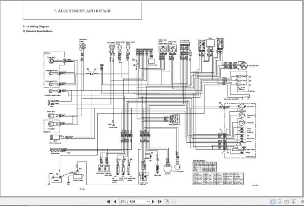
GEHL Compact Excavator 170Z_Z17 Service Manual
GEHL Compact Excavator 170Z_Z17 Service Manual
Size : 48.2 MB
Format : PDF
Language : English
Brand: GEHL
Type of machine: Compact Excavator
Type of document: Service Manual
Model: GEHL 170Z_Z17 Compact Excavator
Content:
GEHL Compact Excavator 170Z_Z17 Service Manual_50940107-RevA
GEHL Compact Excavator 170Z_Z17(GEN-NXT2) Service Manual_50940307-REVA
Original price was: 30.20Current price is: 20. USD
- Description
Description
GEHL Compact Excavator 170Z_Z17 Service Manual
Size : 48.2 MB
Format : PDF
Language : English
Brand: GEHL
Type of machine: Compact Excavator
Type of document: Service Manual
Model: GEHL 170Z_Z17 Compact Excavator
Content:
GEHL Compact Excavator 170Z_Z17 Service Manual_50940107-RevA
GEHL Compact Excavator 170Z_Z17(GEN-NXT2) Service Manual_50940307-REVA

















