-50%
✓
Expert Support
✓
Full Speed
✓
100% Working
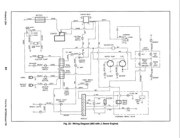
GEHL Telescopic Handlers 883 Operators Manual 907336A
Size: 3.8 MB
Format: PDF
Language: English
Brand: GEHL
Type of Machine: Telescopic Handlers
Type of Manual: Operators Manual
Model: GEHL 883 Telescopic Handlers
Form Number: 907336A
Number of Pages: 80 Pages
Original price was: 20.10Current price is: 10. USD
- Description
Description
Contents:
Introduction
Specifications
Check Lists
Safety
Controls Attachments & Accessories
Operation & Adjustments
Fuels & Lubrications
Troubleshooting
Service & Storage
Decal Locations
Maintenance Log













