-33%
✓
Expert Support
✓
Full Speed
✓
100% Working
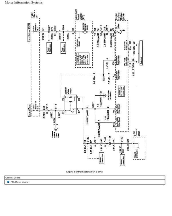
General Motors Truck 7.8L Diesel Engine System Control Wiring Diagrams
General Motors Truck 7.8L Diesel Engine System Control Wiring Diagrams
Size: 10.5 MB
Format: PDF
Language: English
Brand: General Motors
Type of Machine: Truck
Type of Manual: Wiring Diagram
Model: 7.8L Diesel Engine
Number of Pages: 12 Pages
Original price was: 30.20Current price is: 20. USD
- Description
Description
General Motors Truck 7.8L Diesel Engine System Control Wiring Diagrams
General Motors Truck 7.8L Diesel Engine System Control Wiring Diagrams
Size: 10.5 MB
Format: PDF
Language: English
Brand: General Motors
Type of Machine: Truck
Type of Manual: Wiring Diagram
Model: 7.8L Diesel Engine
Number of Pages: 12 Pages













