Expert Support
Full Speed
100% Working
Genesis GV70 2023 Electrical Wiring Diagrams
30 USD
- Description
Description
Contents:
Components – Bumper Harness.pdf
Components – Components Index.pdf
Components – Control Harness.pdf
Components – Door Harness.pdf
Components – Floor Harness.pdf
Components – Front Console Extn. Harness.pdf
Components – Front End Module Harness.pdf
Components – Front Harness.pdf
Components – Fuse and Relay Information.pdf
Components – Fuse and Relays – Components and Components Location.pdf
Components – Ground Point.pdf
Components – Locations by Photo Number.pdf
Components – Main Harness.pdf
Components – Roof Harness.pdf
Components – Seat Harness.pdf
Components – Tailgate Harness.pdf
Electrical (OE) – A_C Control System (Heating and Air Conditioning).pdf
Electrical (OE) – A_V and Navigation (Navigation System).pdf
Electrical (OE) – A_V and Navigation (Radio, Stereo, and Compact Disc).pdf
Electrical (OE) – Advanced Driver Assistance System (ADAS-Driving) (Collision Avoidance and Parking Assist Systems).pdf
Electrical (OE) – Advanced Driver Assistance System (ADAS-Parking) (Collision Avoidance and Parking Assist Systems).pdf
Electrical (OE) – Automatic Transaxle Control System (Automatic Transmission_Transaxle).pdf
Electrical (OE) – AWD ECU – Flow Diagram (Control Module).pdf
Electrical (OE) – Back-Up Lamps (Lighting and Horns).pdf
Electrical (OE) – Charging System (Charging System).pdf
Electrical (OE) – Cooling System (Cooling System).pdf
Electrical (OE) – Courtesy & Trunk Lamps (Lighting and Horns).pdf
Electrical (OE) – Data Link Details (Data Link Connector).pdf
Electrical (OE) – Daytime Running Lights (DRL) (Lighting and Horns).pdf
Electrical (OE) – DC-DC Converter (Charging System).pdf
Electrical (OE) – Defogger System (Heated Glass Element).pdf
Electrical (OE) – Electric Oil Pump System (Oil Pump).pdf
Electrical (OE) – Electro Chromic Mirror System (Mirrors).pdf
Electrical (OE) – Electronic Controlled Suspension (ECS) System (Suspension Control ( Automatic – Electronic )).pdf
Electrical (OE) – Electronic Limited Slip Differential System (E-LSD) (Differential Assembly).pdf
Electrical (OE) – Emission Control System (Emission Control Systems).pdf
Electrical (OE) – Engine Control System (Powertrain Management).pdf
Electrical (OE) – Ethernet Communications System (Entertainment Systems).pdf
Electrical (OE) – Ground Distribution (Power and Ground Distribution).pdf
Electrical (OE) – Head Lamps (Lighting and Horns).pdf
Electrical (OE) – Head-Up Display (HUD) System (Heads Up Display Unit).pdf
Electrical (OE) – Horn (Lighting and Horns).pdf
Electrical (OE) – Illuminations (Instrument Panel, Gauges and Warning Indicators).pdf
Electrical (OE) – IMS (Integrated Memory) – Circuit Diagram (Memory Positioning Systems).pdf
Electrical (OE) – Indicators & Gauges – 12.3′ 3D TFT LCD (Instrument Panel, Gauges and Warning Indicators).pdf
Electrical (OE) – Indicators & Gauges – 8′ TFT LCD (Instrument Panel, Gauges and Warning Indicators).pdf
Electrical (OE) – Integrated Body Control Unit (IBU) System (Body Control) (Body Control Systems).pdf
Electrical (OE) – Integrated Body Control Unit (IBU_IAU) System (Smart Key) (Keyless Entry).pdf
Electrical (OE) – Integrated Body Control Unit (IBU_IAU) System (Smart Key) (Remote Starting System).pdf
Electrical (OE) – Integrated Electric Brake (IEB_ESP_EPB) System (Antilock Brakes _ Traction Control Systems).pdf
Electrical (OE) – Integrated Memory System (IMS) (Memory Positioning Systems).pdf
Electrical (OE) – Intelligent Power Switch (IPS) System (Power Distribution Module).pdf
Electrical (OE) – Inverter (AC) System (DC_AC Inverter).pdf
Electrical (OE) – Keyless Entry & Burglar Alarm System (Antitheft and Alarm Systems).pdf
Electrical (OE) – Keyless Entry & Burglar Alarm System (Keyless Entry).pdf
Electrical (OE) – Lane Keeping Assist-Line (LKA-L) System (Lane Departure System).pdf
Electrical (OE) – Mood Lamp System (Lighting and Horns).pdf
Electrical (OE) – Motor Driven Power Steering (R-MDPS) System (Steering).pdf
Electrical (OE) – Outside Mirror Folding System (Mirrors).pdf
Electrical (OE) – Parking Distance Warning (PDW) System (Collision Avoidance and Parking Assist Systems).pdf
Electrical (OE) – Passenger Compartment Fuse Details (Power and Ground Distribution).pdf
Electrical (OE) – Power Distribution (Power and Ground Distribution).pdf
Electrical (OE) – Power Door Locks (Door Locks).pdf
Electrical (OE) – Power Door Locks (Power Locks).pdf
Electrical (OE) – Power Outlet & USB Charger System (Auxiliary Power Outlet).pdf
Electrical (OE) – Power Outside Mirror System – w_ Electric Folding (Mirrors).pdf
Electrical (OE) – Power Outside Mirror System – w_o Electric Folding (Mirrors).pdf
Electrical (OE) – Power Seat System (Driver) (Seats).pdf
Electrical (OE) – Power Seat System (Passenger Seat) (Seats).pdf
Electrical (OE) – Power Tailgate System (Trunk _ Liftgate).pdf
Electrical (OE) – Power Window System (Windows and Glass).pdf
Electrical (OE) – Pre-Active Seat Belt (PSB) System (Seat Belt Systems).pdf
Electrical (OE) – Rear Occupant Alert (ROA) System (Seat Belt Systems).pdf
Electrical (OE) – Seat Warmer System (Seats).pdf
Electrical (OE) – Smart Cruise Control (SCC) System (Cruise Control).pdf
Electrical (OE) – Starting System (Starting System).pdf
Electrical (OE) – Steering Tilt and Telescopic System (Telescoping Wheel Motor).pdf
Electrical (OE) – Steering Tilt and Telescopic System (Tilt Wheel Motor).pdf
Electrical (OE) – Steering Wheel Heating System (Steering Wheel).pdf
Electrical (OE) – Stop Lamps (Lighting and Horns).pdf
Electrical (OE) – Sunroof System (Sunroof _ Moonroof).pdf
Electrical (OE) – Supplemental Restraint System (SRS) (Restraints and Safety Systems).pdf
Electrical (OE) – Tail, Parking & License Lamps (Lighting and Horns).pdf
Electrical (OE) – Trailer Connector System (Trailer Connector).pdf
Electrical (OE) – Transfer Case Control System (TCCS) (Transfer Case).pdf
Electrical (OE) – Turn & Hazard Lamps (Lighting and Horns).pdf
Electrical (OE) – Vehicle Speed System (Cruise Control).pdf
Electrical (OE) – Vehicle Speed System (Powertrain Management).pdf
Electrical (OE) – Ventilation Seat Control System – Driver (Seat Temperature Control Module).pdf
Electrical (OE) – Ventilation Seat Control System – Front Seat (Seat Temperature Control Module).pdf
Electrical (OE) – Ventilation Seat Control System – Passenger (Seat Temperature Control Module).pdf
Electrical (OE) – Ventilation Seat Control System – Rear Seat (Seat Temperature Control Module).pdf
Electrical (OE) – Wiper & Washer System (Wiper and Washer Systems).pdf
Electrical (OE) – Wireless Charger System (Accessories and Optional Equipment).pdf
Electrical – Interactive Color (Non OE) – Active Body Work (Body and Frame).pdf
Electrical – Interactive Color (Non OE) – Air Conditioning – Automatic A_C Circuit (Heating and Air Conditioning).pdf
Electrical – Interactive Color (Non OE) – Anti-Lock Brakes (Antilock Brakes _ Traction Control Systems).pdf
Electrical – Interactive Color (Non OE) – Anti-Theft – W_ NFC (Antitheft and Alarm Systems).pdf
Electrical – Interactive Color (Non OE) – Anti-Theft – W_O NFC (Antitheft and Alarm Systems).pdf
Electrical – Interactive Color (Non OE) – Body Computer – Integrated Control Unit Circuit (Body Control Module).pdf
Electrical – Interactive Color (Non OE) – Body Computer – IPS Control Module Circuit (Body Control Module).pdf
Electrical – Interactive Color (Non OE) – Computer Data Lines (Information Bus).pdf
Electrical – Interactive Color (Non OE) – Cooling Fans (Radiator Cooling Fan).pdf
Electrical – Interactive Color (Non OE) – Cruise Control (Cruise Control).pdf
Electrical – Interactive Color (Non OE) – Defogger (Rear Defogger).pdf
Electrical – Interactive Color (Non OE) – Door Locks – W_ NFC (Power Locks).pdf
Electrical – Interactive Color (Non OE) – Door Locks – W_O NFC (Power Locks).pdf
Electrical – Interactive Color (Non OE) – Electronic Power Steering – Electronic Power Steering Circuit (Power Steering).pdf
Electrical – Interactive Color (Non OE) – Electronic Power Steering – Power Tilt Steering Column Circuit (Power Steering).pdf
Electrical – Interactive Color (Non OE) – Electronic Suspension (Suspension Control ( Automatic – Electronic )).pdf
Electrical – Interactive Color (Non OE) – Engine Controls – Electric Oil Pump Circuit (Powertrain Management).pdf
Electrical – Interactive Color (Non OE) – Engine Controls – Engine Controls Circuit (Powertrain Management).pdf
Electrical – Interactive Color (Non OE) – Exterior Lights – Backup Lamps Circuit (Lighting and Horns).pdf
Electrical – Interactive Color (Non OE) – Exterior Lights – Exterior Lamps Circuit (Lighting and Horns).pdf
Electrical – Interactive Color (Non OE) – Ground Distribution (Power and Ground Distribution).pdf
Electrical – Interactive Color (Non OE) – Headlights (Headlamp).pdf
Electrical – Interactive Color (Non OE) – Heated Steering Wheel Circuit (Steering Wheel).pdf
Electrical – Interactive Color (Non OE) – Horns (Horn).pdf
Electrical – Interactive Color (Non OE) – Instrument Cluster – Head-Up Display Circuit (Instrument Panel, Gauges and Warning Indicators).pdf
Electrical – Interactive Color (Non OE) – Instrument Cluster – Instrument Cluster Circuit (W_ 12.3 Inch 3D TFT LCD Display) (Instrument Panel, Gauges and Warning Indicators).pdf
Electrical – Interactive Color (Non OE) – Instrument Cluster – Instrument Cluster Circuit (W_ 8 Inch TFT LCD Display) (Instrument Panel, Gauges and Warning Indicators).pdf
Electrical – Interactive Color (Non OE) – Interior Lights – Courtesy Lamps Circuit (Lighting and Horns).pdf
Electrical – Interactive Color (Non OE) – Interior Lights – Instrument Illumination Circuit (Lighting and Horns).pdf
Electrical – Interactive Color (Non OE) – Memory Systems – Driver’s Memory Seat Circuit (Memory Positioning Systems).pdf
Electrical – Interactive Color (Non OE) – Memory Systems – Memory Mirrors Circuit (W_ Electric Folding) (Memory Positioning Systems).pdf
Electrical – Interactive Color (Non OE) – Memory Systems – Memory Mirrors Circuit (W_O Electric Folding) (Memory Positioning Systems).pdf
Electrical – Interactive Color (Non OE) – Memory Systems – Memory Power Tilt & Power Telescopic Circuit (Memory Positioning Systems).pdf
Electrical – Interactive Color (Non OE) – Mirrors – Electrochromic Mirror Circuit (Mirrors).pdf
Electrical – Interactive Color (Non OE) – Mirrors – Power Mirror Circuit (W_ Electric Folding) (Mirrors).pdf
Electrical – Interactive Color (Non OE) – Mirrors – Power Mirror Circuit (W_O Electric Folding) (Mirrors).pdf
Electrical – Interactive Color (Non OE) – Navigation – Blind Spot Information System Circuit (Navigation System).pdf
Electrical – Interactive Color (Non OE) – Navigation – Lane Keeping Assist Circuit (Navigation System).pdf
Electrical – Interactive Color (Non OE) – Navigation – Navigation Circuit (W_ Premium Amplifier) (Navigation System).pdf
Electrical – Interactive Color (Non OE) – Navigation – Navigation Circuit (W_ Standard Amplifier) (Navigation System).pdf
Electrical – Interactive Color (Non OE) – Navigation – Parking Assistant Circuit (Navigation System).pdf
Electrical – Interactive Color (Non OE) – Navigation – Remote Smart Parking Assist Circuit (Navigation System).pdf
Electrical – Interactive Color (Non OE) – Power Distribution (Power and Ground Distribution).pdf
Electrical – Interactive Color (Non OE) – Power Tops (Sunroof _ Moonroof).pdf
Electrical – Interactive Color (Non OE) – Power Windows (Windows).pdf
Electrical – Interactive Color (Non OE) – Seats – Driver Power Seat Circuit (Seats).pdf
Electrical – Interactive Color (Non OE) – Seats – Front Climate Control Seats Circuit (Driver W_ Memory & Passenger W_ Walk-In) (Seats).pdf
Electrical – Interactive Color (Non OE) – Seats – Front Climate Control Seats Circuit (Driver W_ Memory & Passenger W_O Walk-In) (Seats).pdf
Electrical – Interactive Color (Non OE) – Seats – Passenger Power Seat Circuit (W_ Walk-In) (Seats).pdf
Electrical – Interactive Color (Non OE) – Seats – Passenger Power Seat Circuit (W_O Walk-In) (Seats).pdf
Electrical – Interactive Color (Non OE) – Seats – Rear Climate Control Seats Circuit (Seats).pdf
Electrical – Interactive Color (Non OE) – Seats – Rear Heated Seats Circuit (Seats).pdf
Electrical – Interactive Color (Non OE) – Shift Interlock (Transmission and Drivetrain).pdf
Electrical – Interactive Color (Non OE) – Sound Systems – W_ Premium Amplifier (Radio, Stereo, and Compact Disc).pdf
Electrical – Interactive Color (Non OE) – Sound Systems – W_ Standard Amplifier (Radio, Stereo, and Compact Disc).pdf
Electrical – Interactive Color (Non OE) – Starting_Charging – Charging Circuit (Starting and Charging).pdf
Electrical – Interactive Color (Non OE) – Starting_Charging – Starting Circuit (Starting and Charging).pdf
Electrical – Interactive Color (Non OE) – Supplemental Restraints (Restraints and Safety Systems).pdf
Electrical – Interactive Color (Non OE) – Transmissions – 4WD Circuit (Transmission and Drivetrain).pdf
Electrical – Interactive Color (Non OE) – Transmissions – A_T Circuit (Transmission and Drivetrain).pdf
Electrical – Interactive Color (Non OE) – Transmissions – Electronic Limited Slip Differential System Circuit (Transmission and Drivetrain).pdf
Electrical – Interactive Color (Non OE) – Trunk, Tailgate, Fuel Doors – Power Tailgate Circuit (Doors, Hood and Trunk).pdf
Electrical – Interactive Color (Non OE) – Warning Systems – Chime Circuit (Instrument Panel, Gauges and Warning Indicators).pdf
Electrical – Interactive Color (Non OE) – Warning Systems – Tire Pressure Monitoring Circuit (Instrument Panel, Gauges and Warning Indicators).pdf
Electrical – Interactive Color (Non OE) – Wiper_Washer – Front Wiper_Washer Circuit (Wiper and Washer Systems).pdf
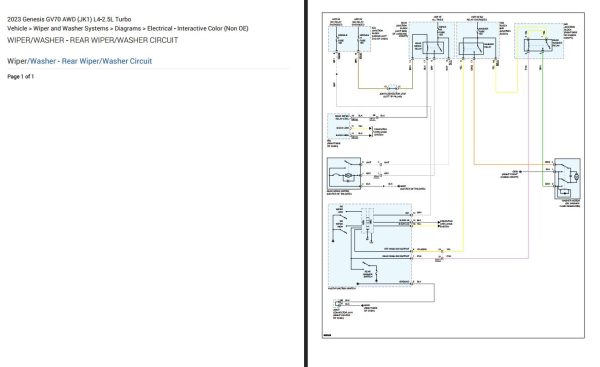
Electrical – Interactive Color (Non OE) – Wiper_Washer – Rear Wiper_Washer Circuit (Wiper and Washer Systems).pdf













