Expert Support
Full Speed
100% Working
Grove Crane Series RT-58_59_60_60S Shop Manuals
Original price was: 60.45Current price is: 45. USD
- Description
Description
Grove Crane Series RT-58_59_60_60S Shop Manuals
Size: 30.6 MB
Format: PDF
Language: English
Brand: Grove – Manitowoc
Type of machine: Cranes
Type of document: Service Manual_Electrical-Hydraulic Schematic_Spare Parts Catalog
Model List:
– Grove RT 58_59S,RT 60_60S 36684 Service Manual
– Grove RT 60S C6-294-000879_REV6 Electrical Schematic-Engine_Cummin
– Grove RT 60S C6-294-000879_REV6 Electrical-Schematic-Engine
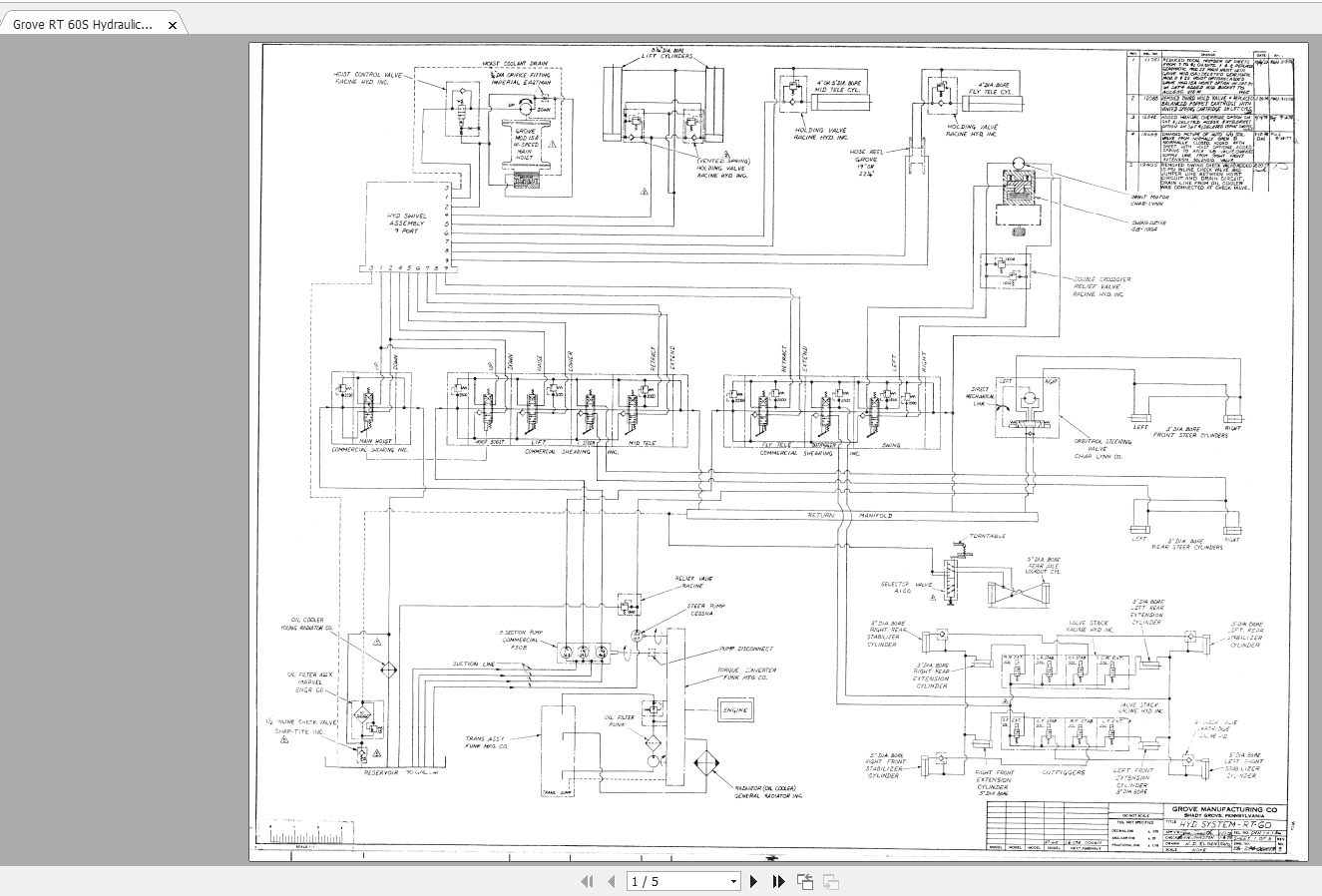
– Grove RT 60S Hydraulic-Schematic E6-294001013
– Grove RT-60 E6-294001013_REV5 Hydraulic-Schematic
– Grove RT60S 36684 Operators Handbook
– Grove RT60S Crane Lufting Capacities
– Grove RT60S Crane S.N 36xxx_EN_2008 Spare Parts Catalog
– Grove RT-60S E6-294-001724 ERN 13533 Electrical-Schematic
– Grove RT-60S ERN 13533 Obsoleted by E6-294-001724 Electrical-Schematic
– Grove-RT60S-Specifications














