Expert Support
Full Speed
100% Working
Hako Rider Sweeper Citymaster 650 Service Manual
10 USD
- Description
Description
List of Files:
-01-Operation
Citymaster 650 Servicing Instructions 88-10-3209-4001-24.pdf
Citymaster 650 Short Instructions 88-10-3208-4001-24.pdf
-02-Maintenance
Citymaster 650 (1470.15) Maintenance Manual 2022.pdf
Citymaster 650 (1491) Service Booklet 88-10-3207-4001-02 2020.pdf
Citymaster 650 Maintenance DE.pdf
-03-Electric
CAN-BUS – Testing By Resistance And Voltage Measurement At The Diagnostic Socket OBD II – X60 DE EN.pdf
Citymaster 650 1470.15 Vehicle Speed Sensor Mounting EN DE.pdf
Citymaster 650 Cable Routing Documentation 91041145 DE.pdf
Citymaster 650 ELectric System DE EN.pdf
Citymaster 650 Electrical Wiring Diagram 91039362.pdf
-04-Steering
Citymaster 600 Steering.pdf
-05-Drive Hydraulics
Citymaster 650 1470.15 Drive (Travel) Hydraulic.pdf
Citymaster 650 Diagnose Hydrostat.pdf
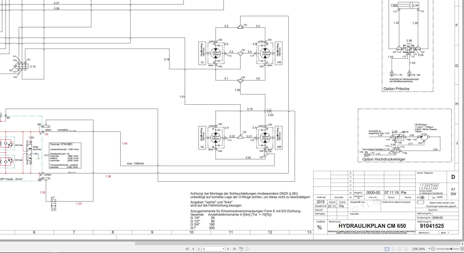
Citymaster 650 Hydraulic Wiring Diagram 91041525.pdf
Citymaster 650 Hydraulic Wiring Diagram.pdf
Citymaster 650 Traction-Drive Error List.pdf
Danfoss Axial Piston Closed Circuit Pump MP1 38cc 45cc Parts Manual AX204686485509en-000905 2020.pdf
Danfoss Pump MP1‐P‐45R‐AM‐NNN‐AU3‐C2‐F‐G5‐S‐D19‐C‐345‐345‐NN‐C‐24‐D3‐RBF‐NNN‐AF02 For CM650 Specification Sheet.pdf
Danfoss Variable Displacement Pumps MP1 Service Manual AX00000244en-000106 2018.pdf
-06-Work Hydraulics
Citymaster 650 1470.15 Work Hydraulics.pdf
Citymaster 650 Hydraulic Wiring Diagram 91041525.pdf
Citymaster 650 Hydraulic- Functional – Diagrams Work.pdf
-07-Brakes
Citymaster 600 Parking Brake.pdf
Citymaster 600 Photos Of The Brake Assembly.pdf
-09-Engine
Citymaster 650 Diagnosis Socket X59 Yanmar Diagnosis.pdf
Citymaster 650 Instruction Setup Yanmar Diagnosis WIFI.pdf
Yanmar Engine 3TNV88C To 4TNV94CHT Operation Manual 0ATN4-EN0017 2018.pdf
Yanmar Engine 3TNV88C To 4TNV98CT Application Manual 0DTN4-EN0041 2015.pdf
Yanmar Engine 3TNV88C To 4TNV98CT Service Manual 0BTN4-EN0024 2015.pdf
Yanmar Engine 3TNV88C To 4TNV98CT Troubleshooting Manual 0DTN4-G00200 2015.pdf
Yanmar Engine 3TNV88C-KHW Error Code List – Diagnostic Trouble Codes – Electrical Wiring Diagram.pdf
Yanmar Engine 3TNV88C-KHW Parts Catalog 0CD50-M04200EN 2018.pdf
Yanmar Engine 3TNV88C-KHW Service Technical Manual.pdf
Yanmar Engine SMARTASSIST-Direct Operation Manual 0AYSA-EN0018 2018.pdf
-10-Heating-Air Con
Citymaster 650 Air-Conditioning Unit.pdf
-11-Diagnostics
CAN-BUS – Testing By Resistance And Voltage Measurement At The Diagnostic Socket OBD II X60 DE EN.pdf
Citymaster 650 (1470.15) Software Versions.pdf
Citymaster 650 Diagnose System.pdf
Citymaster 650 Error Codes.pdf
Citymaster 650 Software Update For Display – P01.pdf
-13-Mechanical
Citymaster 600 High-Pressure Cleaner (1139.10) Assembly Manual.pdf
Citymaster 650 1470.15 Tightening Torques.pdf
Citymaster 650 Circulating Water.pdf
Citymaster 650 Disassembly Of The Fresh Water Tank.pdf
Citymaster 650 Disassembly Of The Fuel Tank.pdf
Citymaster 650 Disessembly Hydraulic Tank.pdf
-14-Tools
Citymaster 650 E-System-Test Adapter DE EN.pdf
Citymaster 650 Outside Cleaning (AR) List Of Specialized Tools DE EN.pdf
-15-Circular Letters
Citymaster 650 New Oil Drain Valve For Yanmar Engine.pdf













