Expert Support
Full Speed
100% Working
Hangcha X Series 12t-16t CPCD120-XRH13B to CPCD160-XRMH13B Service Manual 2022 EN
50 USD
- Description
Description
Contents:
I. Power System
1. Power Disposition
2. Use And Maintenance Of Engine
Ii.Hydraulic Gear-Box And Torque Convert
Iii. Drive Axle
1. Drive Axle Basic Structure And Its Working Principle
2.Use Of Drive Axle
3.Periodical Technical Maintenance
4. Driven Spiral Bevel Gear Engagement Contact Condition And Adjustment
5. Fault Diagnosis And Corrections
Iv. Steering Axle
V. Steering System
Vi. Brake System
1.Operating Hydraulic Pipe Line
2.Brake And Inching Control Assembly
3.Brake Valve
4.Accumulator
5. Valve Block Assembly
6.Control Valve Assy
7.Fault Diagnosis And Corrections( Service Brake)
8.Fault Diagnosis And Corrections(Parking Brake)
Vii Hydraulic System
1. Pump
2. Control Valve
3. One-Way Check Valve
4. Lifting Cylinder
5. Tilting Cylinder
6. Hydraulic System Schematic Diagram
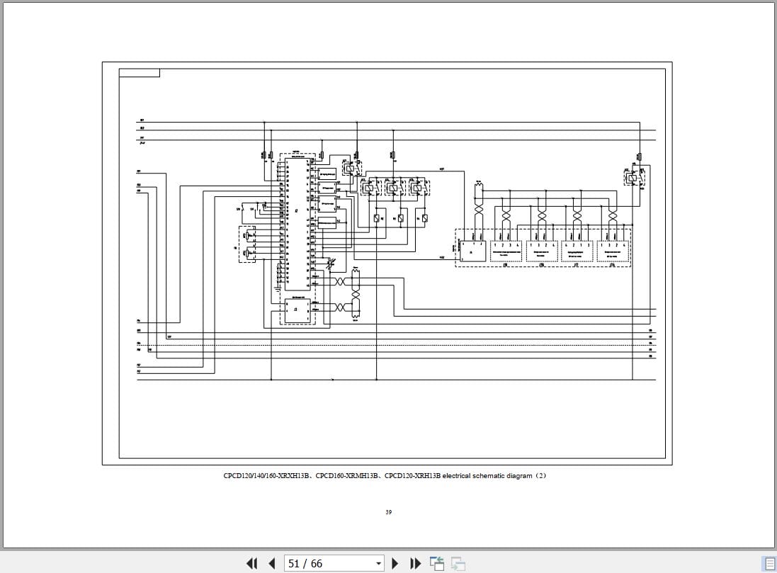
Viii. Electrical System
Ix. Lifting System
1. Assemble Debugging Data
2. Failure Diagnose And Corrections
3.General
4. Mast Dismantle And Install Adjustment
5. Disassembly And Installation Of Lifting Cylinder
6.Disassembly And Installation Of Tilting Cylinder
7.Noticing Proceeding Of Debugging












