Expert Support
Full Speed
100% Working
Hangcha XH Series 9.0t H90EC-8-XHJG H90EC-7-XHJG Service Manual 2023 EN
50 USD
- Description
Description
Contents:
1.Safety Specification
1.1 High Voltage Component Description
1.2 Safety Precautions And Operating Specificatio
1.3 First Aid For High-Voltage Accident
2.Driving System
2.1 Drive Axle
2.2 Transmission Shaft
2.3 Traction Motor
3.Steering System
3.1summarize
3.2 Steering Device
3.3 Steering Axle
3.4troubleshooting And Corrections On The Steering
4.Braking System
4.1hydraulic Circuit Of Manipulation
4.2 Assembly Of Brake Manipulation
4.3 Axle Valve Block Assembly
4.4 Accumulator
4.5 Braking Prefill Valve
4.6 Brake System Air Removal
4.7 Troubleshooting
4.8 Brake System Principle Diagram
5.Hydraulic System
5.1 Hydraulic System Circuit
5.2 Principle Of Hydraulic System
5.3 Oil Pump Motor Device
5.4 Control Valve
5.5 Recycled Switch Valve
5.6 Steering Priority Valve
5.7 Lifting Valve Block,Left/Right
5.8 Accumulator
5.9 Fault And Elimination
6.Lifting System
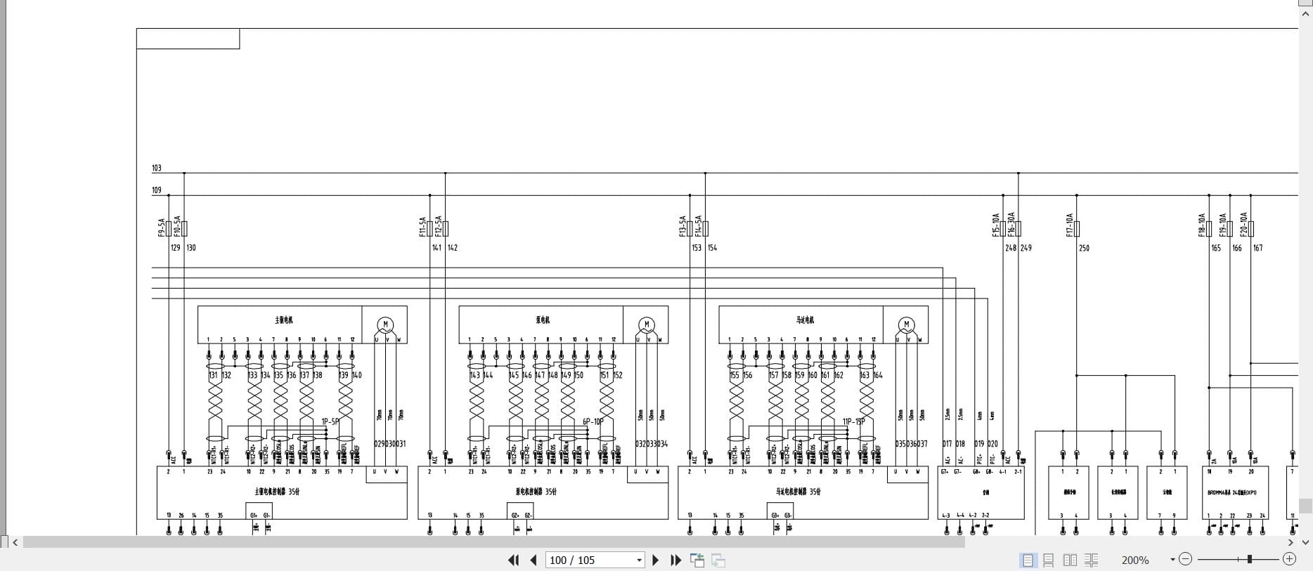
7.Electrical System
7.1 Special Safety Rules For High-Voltage Electric
7.2 Lithium Battery
7.3safe Operation Specification
7.4 Fuse Box Assembly
7.5 Lighting System
7.6 Shift Switch
7.7 Electrical System Principle Diagram












