✓
Expert Support
✓
Full Speed
✓
100% Working
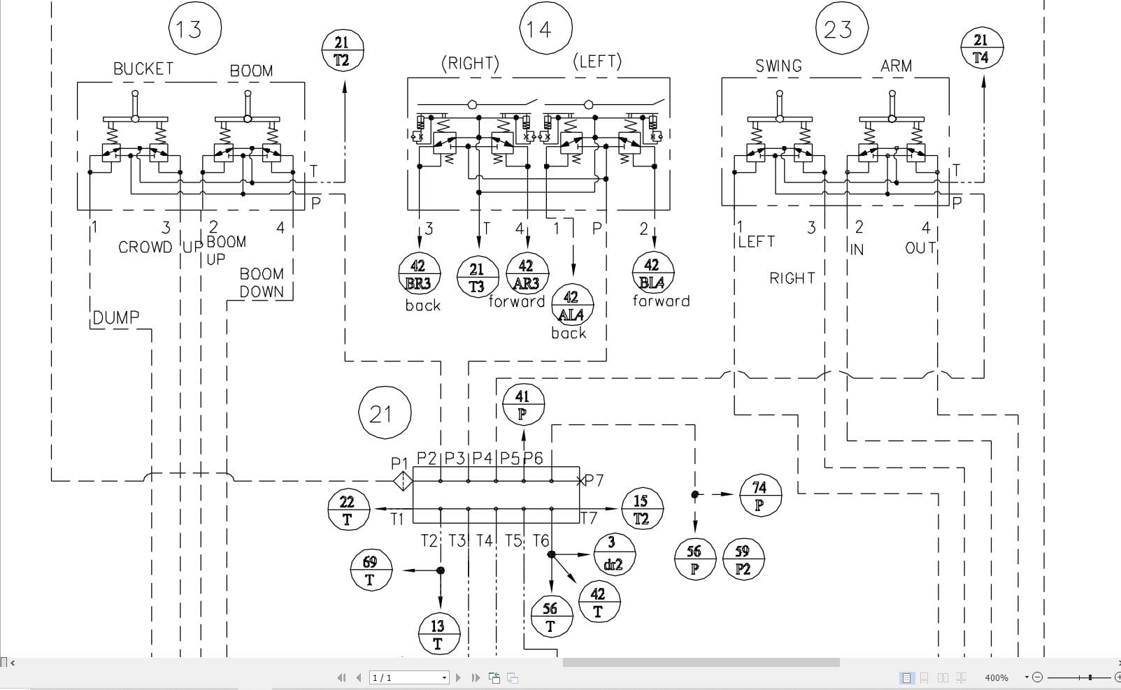
Hidromek Excavator HMK 220LC Hydraulic Diagram
Size: 1.49 MB
Format: PDF
Language: English
Brand: Hidromek
Type of Machine: Excavator
Type of Manual: Hydraulic Diagram
Model: Hidromek HMK 220LC Excavator
Publication Date:
List of Files:
Hidromek HMK 220LC Hydraulic Diagram HD340000000.pdf (1 Page)
Hidromek HMK 220LC Hydraulic Diagram HD340100000.pdf (1 Page)
Hidromek HMK 220LC Hydraulic Diagram HD340400000.pdf (1 Page)
Hidromek HMK 220LC Hydraulic Diagram HD340500000.pdf (1 Page)
20 USD
- Description
Description
Hidromek Excavator HMK 220LC Hydraulic Diagram
Size: 1.49 MB
Format: PDF
Language: English
Brand: Hidromek
Type of Machine: Excavator
Type of Manual: Hydraulic Diagram
Model: Hidromek HMK 220LC Excavator
Publication Date:
List of Files:
Hidromek HMK 220LC Hydraulic Diagram HD340000000.pdf (1 Page)
Hidromek HMK 220LC Hydraulic Diagram HD340100000.pdf (1 Page)
Hidromek HMK 220LC Hydraulic Diagram HD340400000.pdf (1 Page)
Hidromek HMK 220LC Hydraulic Diagram HD340500000.pdf (1 Page)











