✓
Expert Support
✓
Full Speed
✓
100% Working
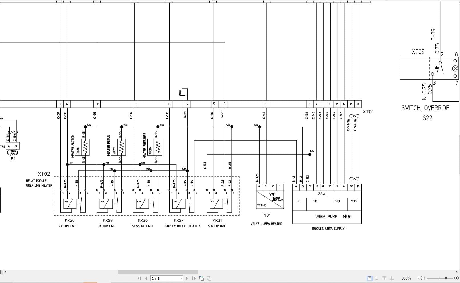
Hidromek Soil Compactor HMK 130CS-5 Electric Diagram C228100010
Size: 5.77 MB
Format: PDF
Language: English
Brand: Hidromek
Type of Machine: Soil Compactor
Type of Manual: Electric Diagram
Model: Hidromek HMK 130CS-5 Soil Compactor
Part Number: C228100010
Publication Date: 2023
Number of Pages: 1 Page
50 USD
- Description
Description
Hidromek Soil Compactor HMK 130CS-5 Electric Diagram C228100010
Size: 5.77 MB
Format: PDF
Language: English
Brand: Hidromek
Type of Machine: Soil Compactor
Type of Manual: Electric Diagram
Model: Hidromek HMK 130CS-5 Soil Compactor
Part Number: C228100010
Publication Date: 2023
Number of Pages: 1 Page











