-10%
✓
Expert Support
✓
Full Speed
✓
100% Working
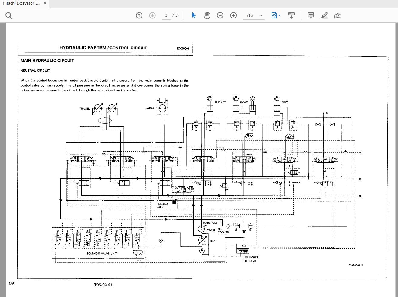
Hitachi Excavator EX200-2 Electrical System
Hitachi Excavator EX200-2 Electrical System
Size : 318 KB
Format : PDF
Language : English
Brand: Hitachi
Type of document: Electrical System
Model: Hitachi Excavator EX200-2
Number of page: 3 pages
Original price was: 20.18Current price is: 18. USD
- Description
Description
Hitachi Excavator EX200-2 Electrical System
Size : 318 KB
Format : PDF
Language : English
Brand: Hitachi
Type of document: Electrical System
Model: Hitachi Excavator EX200-2
Number of page: 3 pages













