✓
                Expert Support
✓
                Full Speed
✓
                100% Working
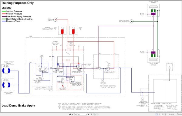
Hitachi Rigid Dump Truck EH1100-3 Hydraulic Schematics
20 USD
- Description
Description
Size: 8.56 MB
Format: PDF
Language: English
Brand: Hitachi
Type of Machine: Rigid Dump Truck
Type of Manual: Hydraulic Schematics
Model: EH1100-3
Number of Pages: 32 Pages

 
							 
							 
							 
							 
							











