✓
Expert Support
✓
Full Speed
✓
100% Working
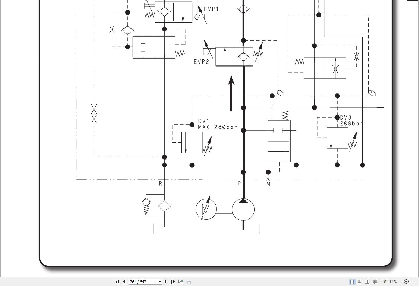
Hyster Forklift RO1.6 RO2.0 Service Manual 4333744
Size: 122.71 MB
Format: PDF
Language: English
Brand: Hyster
Type of Machine: Forklift
Type of Manual: Service Manual, Electric and Hydraulic Diagrams
Model: Hyster RO1.6 RO2.0 Class 2
Part Number: 4333744
Publication Date: 2023
50 USD
- Description
Description
List of Files:
4333744-(A923)-H-SM-UK-EN-(10-2023).pdf (542 Pages)
Base Truck Mechanics.pdf (32 Pages)
Braking System.pdf (6 Pages)
Diagnostics and Measurements.pdf (64 Pages)
Electrical System.pdf (242 Pages)
Fork Carriage Mechanics.pdf (32 Pages)
Gearbox.pdf (10 Pages)
Hydraulic System.pdf (66 Pages)
Installation and Settings.pdf (20 Pages)
Introduction.pdf (12 Pages)
Mast Mechanics.pdf (18 Pages)
Presentation.pdf (14 Pages)
Routine Maintenance.pdf (26 Pages)








