✓
Expert Support
✓
Full Speed
✓
100% Working
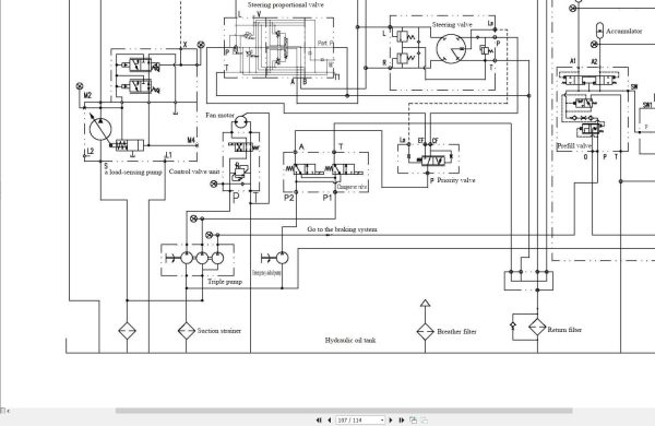
Hyundai Motor Grader HG320 Operation and Maintenance Manual
Size: 27.66 MB
Format: PDF
Language: English
Brand: Hyundai
Type of Machine: Motor Grader
Type of Manual: Operation and Maintenance Manual, Hydraulic Diagram
Model: Hyundai HG320 Motor Grader
Number of Pages: 114 Pages
10 USD
- Description
Description
Contents:
Foreword
Breaking in Your New Machine
General Locations and Specifications
Machine Operation Guidelines
Instruments, Switches and Pilot Lamps
Operation of the Machine
Periodic Maintenance
Safety and Operation
Description of Main Components















