✓
Expert Support
✓
Full Speed
✓
100% Working
Ingersoll-Rand Blaw-Knox PF-161-410-4410 Service Manuals
Size: 26.1 MB
Format: PDF
Language: English
Brand: Ingersoll-Rand, Blaw-Knox
Type of Document: Service Manual, Hydraulic and Electrical Diagram
Model: Ingersoll-Rand Blaw-Knox PF-161-410-4410
20 USD
- Description
Description
List of file:
1 Main.pdf
10′ Wedge-Lock Screed.pdf
8′ Wedge-Lock Screed.pdf
Chassis.pdf
Control Systems.pdf
Drive Train.pdf
Electrical System.pdf
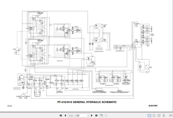
Hydraulic System.pdf
Introduction and General Information.pdf
Material Handling.pdf
Tracked Pavers.pdf
Wheeled Pavers.pdf















