-50%
✓
Expert Support
✓
Full Speed
✓
100% Working
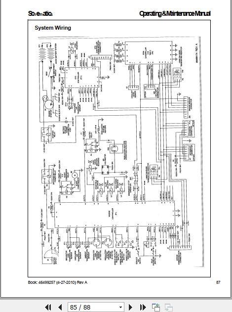
Ingersoll Rand Portable Compressor XHP1500 Operation and Maintenance Manual 2012
How to repair and maintenance Ingersoll Rand Portable Compressor XHP1500 pdf file update lates
10 USD
- Description
Description
Ingersoll Rand Portable Compressor XHP1500 Operation and Maintenance Manual 2012
Size: 4.69 MB
Format: PDF
Language: English
Brand: Ingersoll Rand
Type of Machine: Portable Compressor
Type of Manual: Operation and Maintenance Manual
Model: Ingersoll Rand XHP1500 Portable Compressor
Date: 2012
Content:
Doosan Portable Power XXHP1270-XHP1500FCAT-T3 Electronic Service Manual 46499265 2012.pdf
Doosan Portable Power XXHP1270-XHP1500FCAT-T3 Operation And Maintenance Manual 46499257 2012.pdf















