Expert Support
Full Speed
100% Working
International Trucks Electrical Wiring Diagrams PDF 2.23GB
300 USD
- Description
Description
Detail Contents:
CT471 BODY BUILDER
International Navistar Bus TC Commercial Body Builder Book PBB-43200 2022.pdf
International Navistar Truck CV MV HV HX RH LT Series Sales Data Book 2024.pdf
International Navistar Truck CV Series Body Builder Book 2023 PBB-42200.pdf
International Navistar Truck CV515-Crew Cab Configuration Diagrams 2019.pdf
International Navistar Truck CV515-Day Cab Configuration Diagrams 2019.pdf
International Navistar Truck HV Series Heavy Vocational-Heavy Duty Engine Body Builder Book PBB-50300 2018.pdf
International Navistar Truck HV Series Heavy Vocational-Medium Duty Engine Body Builder Book PBB-50200 2018.pdf
International Navistar Truck HX Series Heavy Extreme Body Builder Book PBB-47100 2024.pdf
International Navistar Truck MV Series Day Cab Configuration Diagrams 2021.pdf
International Navistar Truck MV Series Medium Vocational Body Builder Book PBB-43200 2022.pdf
CURRENT MODELS
International Body Integration Quick Reference Card DLB Quick Reference.pdf
International Camera Monitoring System – Feature 08RRK MV HV HX Series CE Bus Installation Instruction 2025.pdf
International Navistar Electric Medium Duty Truck MV Series Electrical Systems Integration Guide 2025.pdf
International Navistar Truck HX Vocational Series Electrical Systems Integration Guide 2018.pdf
International Truck CV Vocational Series International Integration Guide Electrical Systems 2024.pdf
International Truck eMV Series Electric Medium Vocational Body Integration Quick Reference Guide.pdf
International Truck HV HX LT MV RH 2021 Newer HX Electrical Systems Integration Guide.pdf
International Truck HV HX LT MV RH 2021 Newer HX Vehicles Enhanced Remote Power Module Integration Guide.pdf
CURRENT TRUCK MODELS
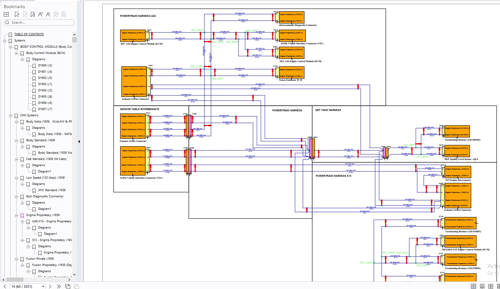
International Truck CV Series Circuit Diagram 0000019802.pdf
International Truck eMV Series Interactive Schematics 00000018831 Built 2021 To 2025.pdf
International Truck HV Series Interactive Schematics 00000018833 Built 2021 To 2025.pdf
International Truck HV Series Interactive Schematics 0000018823 Built 2018 To 2021.pdf
International Truck HV Series Interactive Schematics 0000018827 2018-2020.pdf
International Truck HX Series Electrical Circuit Diagrams 0000018081 2017-2020.pdf
International Truck HX Series Interactive Schematics 00000018837 Built 2024 To 025.pdf
International Truck HX Series Schematics 0000018830 2021.pdf
International Truck LT RH and LoneStar Series Interactive Schematics 00000018832 Built 2021 To 2025.pdf
International Truck LT RH Series (with S13) Interactive Schematics 00000018835 Built 2023 to 2025.pdf
International Truck LT RH Series Interactive Schematics Global 00000018829.pdf
International Truck LTRH And Lonestar Series Chassis PDM Layout 0000463983 Built 2019 – 2021.pdf
International Truck LTRH And Lonestar Series Schematics 0000018822 Built Before 2016.pdf
International Truck LTRH And Lonestar Series Schematics 0000018825 Built 2016 – 2019.pdf
International Truck LTRH And Lonestar Series Schematics 0000018828 Built 2019 – 2021.pdf
International Truck MV Series Interactive Schematics 00000018834 Built 2021 To 2025.pdf
International Truck MV Series Interactive Schematics Global 0000018826 2018-2020.pdf
International Truck MV Series TC Bus Schematics 0000018824 Built 2018 To 2021.pdf
LEGACY MODELS
International Truck 2007 Diamond Logic Body Integration QRG Parts.pdf
International Truck Body Builder Electrical Guide Post 2007 HPV Electrical System Service Body Builder Manual S08323.pdf
International Truck Body Builder Electrical Guide Pre 2007 HPV Service Manual S08300 2005.pdf
International Truck Changes For 2007 Diamond Logic Electrical System.pdf
International Legacy Truck CF500 CF600 Service Manua Section Electrical Circuit Diagram S08332 2008.pdf
International Legacy Truck CF500 CF600 Service Manual Section Electrical Circuit Diagram S08317 2006.pdf
International Navistar Leagcy
International Navistar Leagcy Truck PayStar 5900 Electrical Circuit Diagram 0000002441 2021.pdf
International Navistar Legacy Truck 3200 4100 4200 4300 4400 7300 7400 7500 7600 8500 8600 Electrical Circuit Diagram 0000017581 2015.pdf
International Navistar Legacy Truck 3200 DuraStar 4100-4400 WorkStar 7300-7700 TranStar 8500-8600 RXT Electrical Circuit Diagram 0000002842 2019.pdf
International Navistar Legacy Truck 3200 to RXT Service Manual Section Circuit Diagram S08315 2009.pdf
International Navistar Legacy Truck 9900 Series Electrical Circuit Diagram 0000003261 2021.pdf
International Navistar Legacy Truck CF500 CF600 Circui Diagram S08311.pdf
International Navistar Legacy Truck PayStar 5500i 5600i 5900i 9200i 9900i Series Electrical Circuit Diagram 0000011981 2015.pdf
SCHOOL BUS MODELS
International Navistar School Bus Current IC Bus Electric CE Series Bus High-Voltage Distribution Diagram 0000487540 2021.pdf
International Navistar School Bus IC Bus BE CE Series Electrical Circuit Diagrams Supersedes S08377 0000003601 2011-2015.pdf
International Navistar School Bus IC Bus BECE And Electric CE Series Circuit Diagrams 0000020182 2016-2021.pdf
International Navistar School Bus IC Bus CE Series Interactive Schematics Built 2024 to 2025 00000018836.pdf
International Navistar School Bus IC Bus RE Series Built September 2017 And After Body Electrical Circuit Diagrams 0000019442.pdf
International Navistar School Bus IC Bus RE Series Built September 2017 And After Chassis Electrical Circuit Diagrams 0000019443.pdf








