✓
Expert Support
✓
Full Speed
✓
100% Working
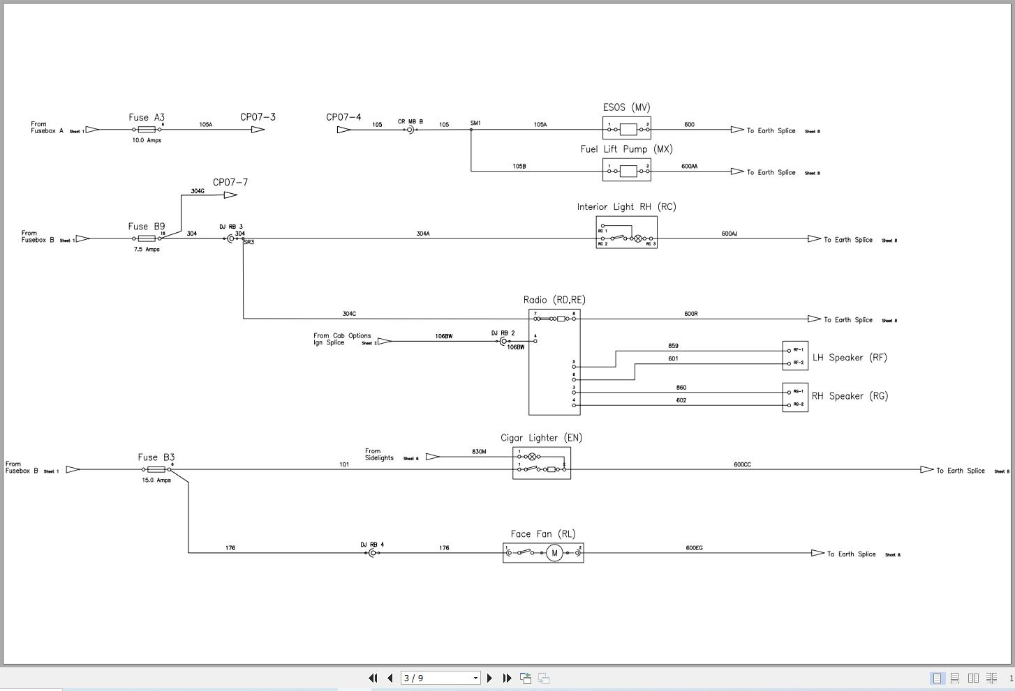
JCB Loader MIDI CX T3 2008-2015 Electrical Diagram
Size: 2.54 MB
Format: PDF
Language: English
Brand: JCB
Type of Machine: Backhoe Loader
Type of Manual: Electric Diagram
Model: JCB MIDI CX T3 2008-2015 Backhoe Loader
List of Files:
853_20041-2_ Electrical Schematic.pdf 9 Pages
30 USD
- Description
Description
JCB Loader MIDI CX T3 2008-2015 Electrical Diagram
Size: 2.54 MB
Format: PDF
Language: English
Brand: JCB
Type of Machine: Backhoe Loader
Type of Manual: Electric Diagram
Model: JCB MIDI CX T3 2008-2015 Backhoe Loader
List of Files:
853_20041-2_ Electrical Schematic.pdf 9 Pages











