✓
Expert Support
✓
Full Speed
✓
100% Working
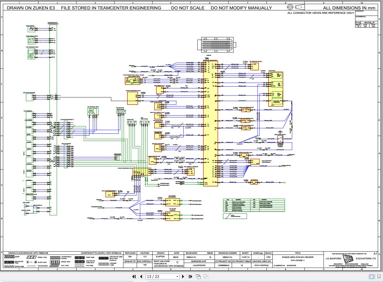
JCB Tractor Fastrac 4160-2 STV 2020-2022 Electrical and Hydraulic Diagram
Size: 1.82 MB
Format: PDF
Language: English
Brand: JCB
Type of Machine: Tractor
Type of Manual: Electric Diagram , Hydraulic Diagram
Model: JCB Fastrac 4160-2 STV (2020-2022) Tractor
List of Files:
400_U4144-10_ Electrical Schematic.pdf (23 Pages)
401_B9423-2_ Electrical Schematic.pdf (3 Pages)
474_E0001-3_ Hydraulic Schematic.pdf (4 Pages)
80 USD
- Description
Description
JCB Tractor Fastrac 4160-2 STV 2020-2022 Electrical and Hydraulic Diagram
Size: 1.82 MB
Format: PDF
Language: English
Brand: JCB
Type of Machine: Tractor
Type of Manual: Electric Diagram , Hydraulic Diagram
Model: JCB Fastrac 4160-2 STV (2020-2022) Tractor
List of Files:
400_U4144-10_ Electrical Schematic.pdf (23 Pages)
401_B9423-2_ Electrical Schematic.pdf (3 Pages)
474_E0001-3_ Hydraulic Schematic.pdf (4 Pages)












