-40%
✓
Expert Support
✓
Full Speed
✓
100% Working
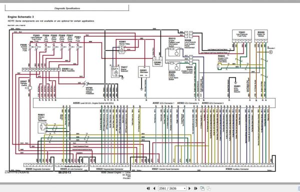
John Deere 6090 Diesel Engine Component Technical Manual_CTM117719
John Deere 6090 Diesel Engine Component Technical Manual_CTM117719
Size : 62.1 MB
Format : PDF
Language : English
Brand: John Deere
Type of machine: Diesel Engine
Type of document: Technical Manual
Model: John Deere 6090 Diesel Engine
Date: 2019
Number of Pages: 2636 Pages
Part Number: CTM117719
Original price was: 50.30Current price is: 30. USD
- Description
Description
John Deere 6090 Diesel Engine Component Technical Manual_CTM117719
Size : 62.1 MB
Format : PDF
Language : English
Brand: John Deere
Type of machine: Diesel Engine
Type of document: Technical Manual
Model: John Deere 6090 Diesel Engine
Date: 2019
Number of Pages: 2636 Pages
Part Number: CTM117719















