Expert Support
Full Speed
100% Working
John Deere Excavator 130G Operation & Test Technical Manual TM13344X19
50 USD
- Description
Description
Contents:
Section 9000—General Information
Group 01—SafetySection 9001—Diagnostics
Group 10—Main Controller (MCZ) Diagnostic Trouble CodesGroup 20—Engine Control Unit (ECU) Diagnostic Trouble CodesGroup 30—Monitor Controller (DSZ) Diagnostic Trouble CodesGroup 40—Information Controller (ICZ) Diagnostic Trouble CodesGroup 50—Air Conditioner Controller (ACF) Diagnostic Trouble CodesGroup 60—Premium Seat Controller (PSC) Diagnostic Trouble CodesSection 9005—Operational Checkout Procedure
Group 10—Operational Checkout ProcedureSection 9010—Engine
Group 05—Theory of OperationGroup 15—Diagnostic InformationGroup 20—AdjustmentsGroup 25—TestsSection 9015—Electrical System
Group 05—System InformationGroup 10—System DiagramsGroup 15—Sub-System DiagnosticsGroup 16—Monitor OperationGroup 20—ReferencesSection 9020—Power Train
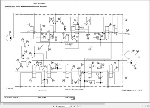
Group 05—Theory of OperationGroup 15—Diagnostic InformationSection 9025—Hydraulic System
Group 05—Theory of OperationGroup 15—Diagnostic InformationGroup 25—TestsSection 9031—Heating and Air Conditioning
Group 05—Theory of OperationGroup 15—Diagnostic InformationGroup 25—TestsSection 9900—Dealer Fabricated Tools
Group 99—Dealer Fabricated Tools















