Expert Support
Full Speed
100% Working
John Deere Excavator 225D LC Hitachi ZX225USLC-3 Technical Parts Operators Manual
100 USD
- Description
Description
List of Files:
ZAXIS Dr.ZX Technical Manual T1U1-EDR-00.pdf
ZX135US-3class ZX225US-3class ZX225USR-3class Operators Manual EM1U4-2-6.pdf
ZX225US-3 Series 225USR-3 Series ISUZU(4HK1-XYSA02) Engine 4HK1-XYSA02-10.pdf
ZX225US-3 ZX225USLC-3 Parts Catalog P1U4-1-3.pdf
ZX225USLC Series ISUZU(6BG1-TRA03) Engine Parts Catalog 6BG1-TRA03-9.pdf
ZX225USLC-3 ZX225USRLC-3 European version Sales Manual PS-EN012EU.pdf
ZX200-3 225US-3 225USR-3 240-3 270-3 Technical Manual (Troubleshooting)
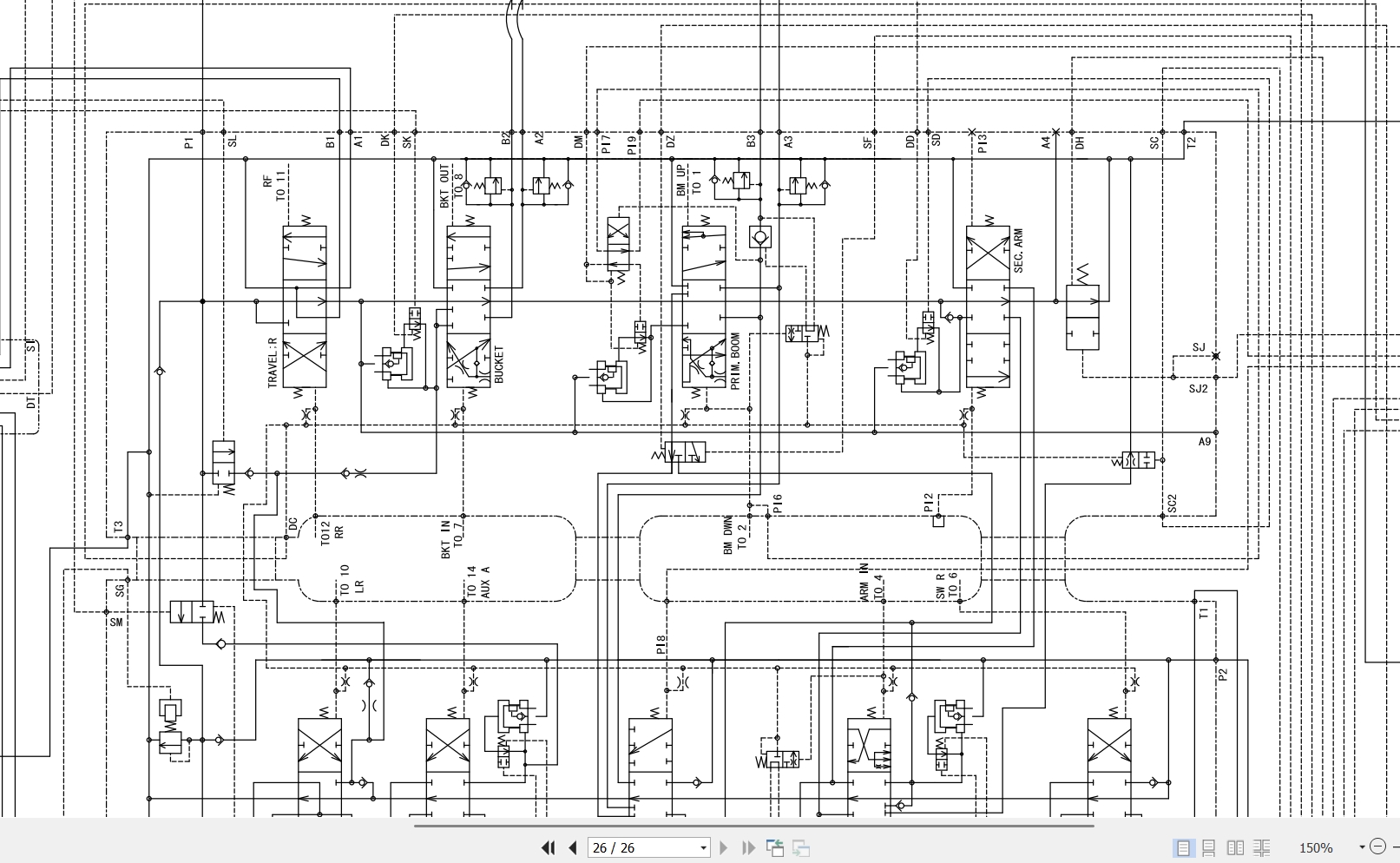
circuit.pdf
T03-03-14to15 E ZX160-3to270-3(20140115).pdf
T05-06 Fault+Codes+1381+and+20101(20140115).pdf
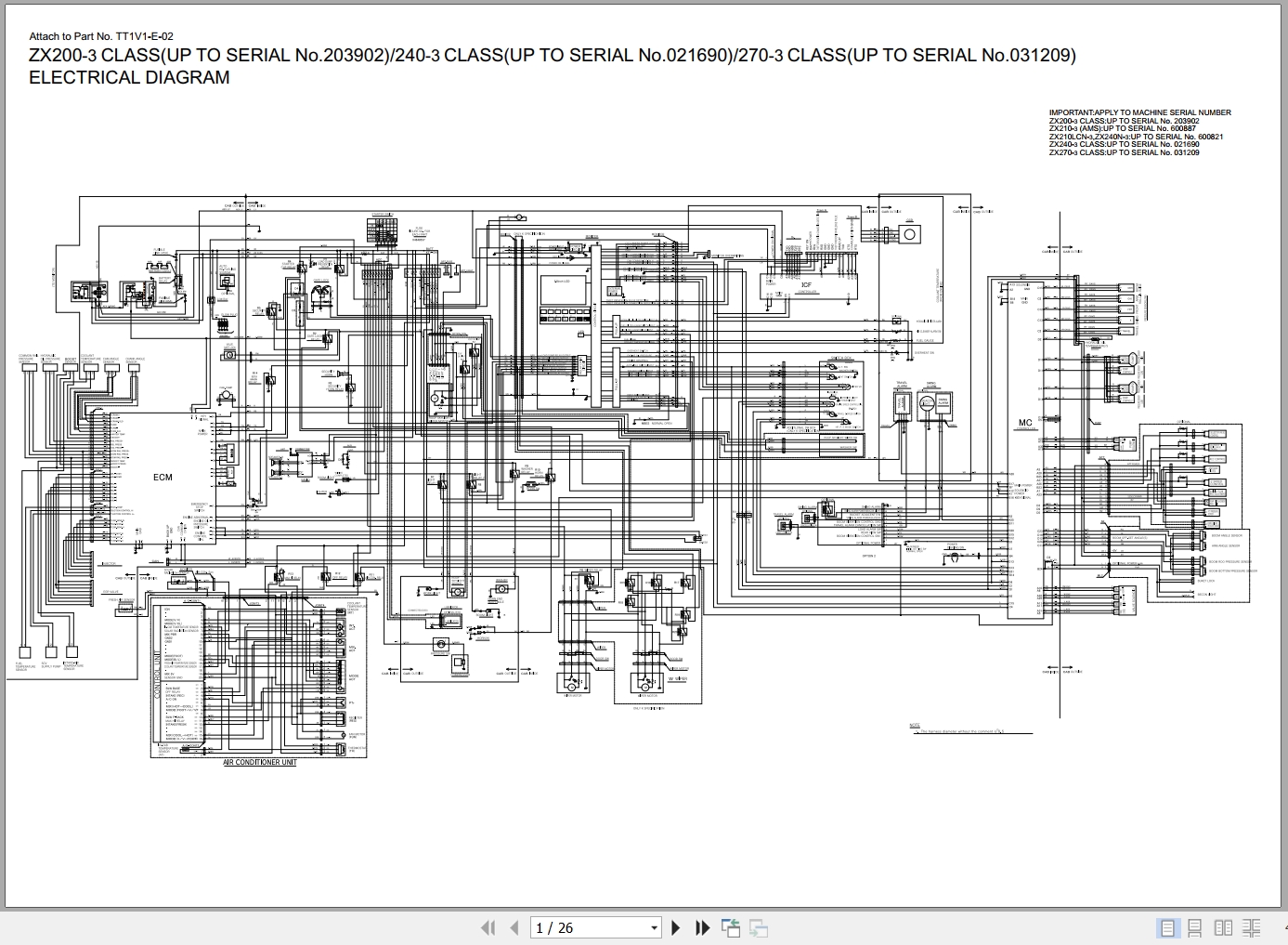
TT1V1-E-02 circuit(20100827).pdf
TT1V1-E-02(20150217).pdf
TT1V1-E-02(20150611).pdf
TT1V1-E-02.pdf
ZX200-3Class ZX225US-3Class ZX225USR-3Class ZX240-3Class ZX270-3Class Workshop Manual
W1V1-E-01(20101220).pdf
W1V1-E-01(20140930).pdf
W1V1-E-01(20161101).pdf
W1V1-E-01(20181126).pdf
W1V1-E-01(20181210).pdf













