Expert Support
Full Speed
100% Working
John Deere Loader 329D 333D Operation & Test Technical Manual TM11454
50 USD
- Description
Description
Contents:
General Information
Safety
Diagnostic Trouble Codes (DTCs)
Engine Control Unit (ECU) Diagnostic Trouble Codes
Engagement and Monitor Unit (EMU) Diagnostic Trouble Codes
Hydraulic Control Unit (HCU) Diagnostic Trouble Codes
Left Joystick Controller (JSL)
Right Joystick Controller (JSR)
Operational Checkout Procedure
Operational Checkout Procedure
Engine
Theory of Operation
Diagnostic Information
Tests
Electrical System
System Information
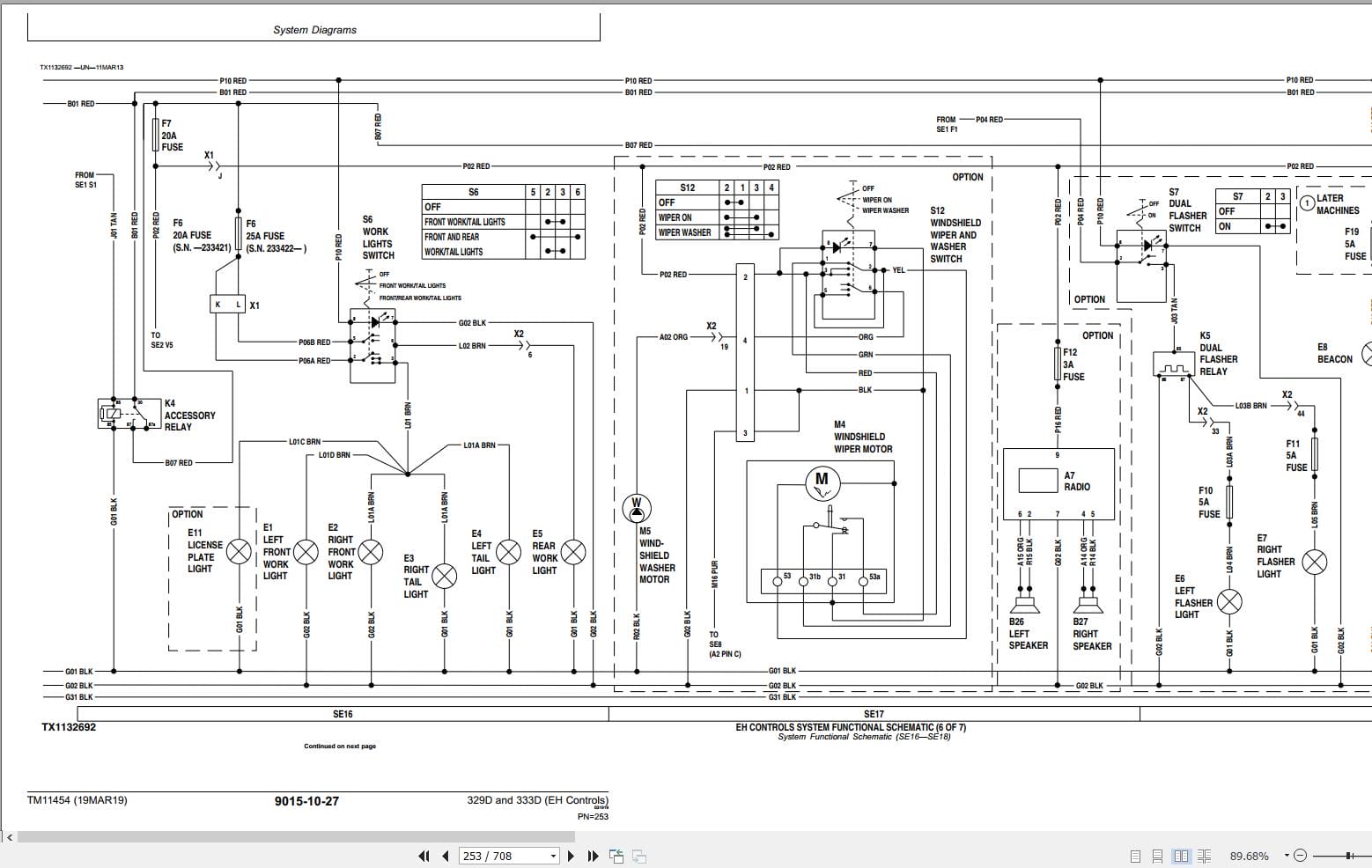
System Diagrams
Sub-System Diagnostics
Monitor Operation
References
Power Train
Theory of Operation
Diagnostic Information
Tests
Hydraulic System
Theory of Operation
Diagnostic Information
Tests
Hydrostatic System
Theory of Operation
Diagnostic Information
Tests
Heating and Air Conditioning
Theory of Operation
Diagnostic Information
Tests
Dealer Fabricated Tools
Dealer Fabricated Tools













