Expert Support
Full Speed
100% Working
John Deere M-Gator A3 Utility Vehicles Technical Manual TM115719
50 USD
- Description
Description
Contents:
Safety
Specifications Information
Table of Contents
General Information
Coolant
Serial Number Locations
Engine – Diesel
Table of Contents
Specifications
Component Location
Theory of Operation
Diagnostics
Tests Adjustments
Repair
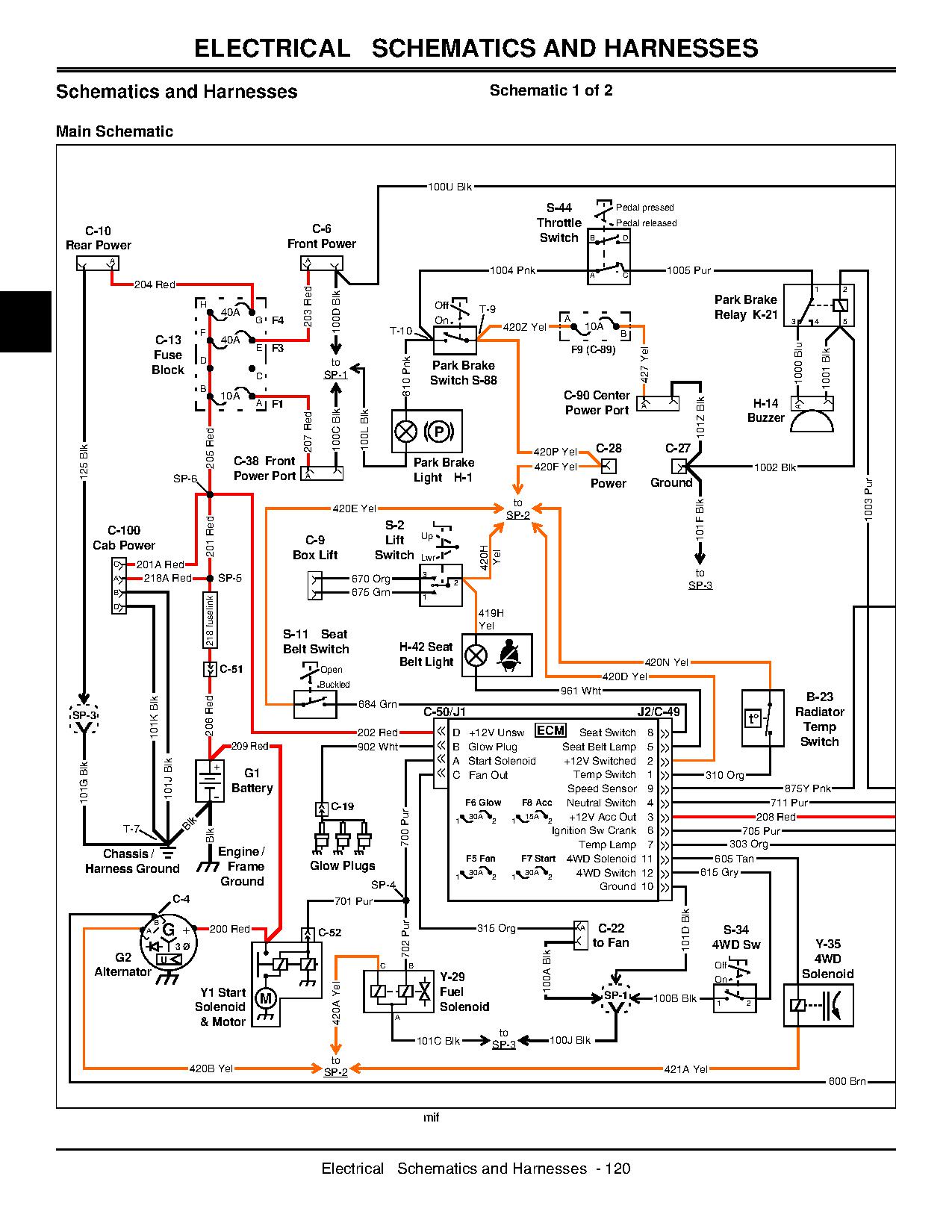
Electrical
Table of Contents
General Information
Specifications
Component Location
Schematics Harnesses
Operation Diagnostics
Tests Adjustments
Repair
Power Train – Gear
Table of Contents
Specifications
Component Location
Theory of Operation
Diagnostics
Tests Adjustments
Repair
Steering
Table of Contents
Specifications
Component Location
Theory of Operation
Diagnostics
Tests Adjustments
Repair
Brakes
Table of Contents
Specifications
Component Location
Theory of Operation
Diagnostics
Tests Adjustments
Repair
Miscellaneous
Table of Contents
Specifications
Component Location
Repair
Index













