Expert Support
Full Speed
100% Working
John Deere Motor Grader 670G 670GP 672G 672GP Operation And Test Manual TM11204
50 USD
- Description
Description
Contents:
General Information
Safety
Diagnostics
Transmission Control Unit (TCU) Diagnostic Trouble Codes
Engine Control Unit (ECU) Diagnostic Trouble Codes
Advance Display Unit (ADU) Diagnostic Trouble Codes
Flex Load Controller (FLC) Diagnostic Trouble Codes
Hydraulic Valve Controller (HVC) Diagnostic Trouble Codes
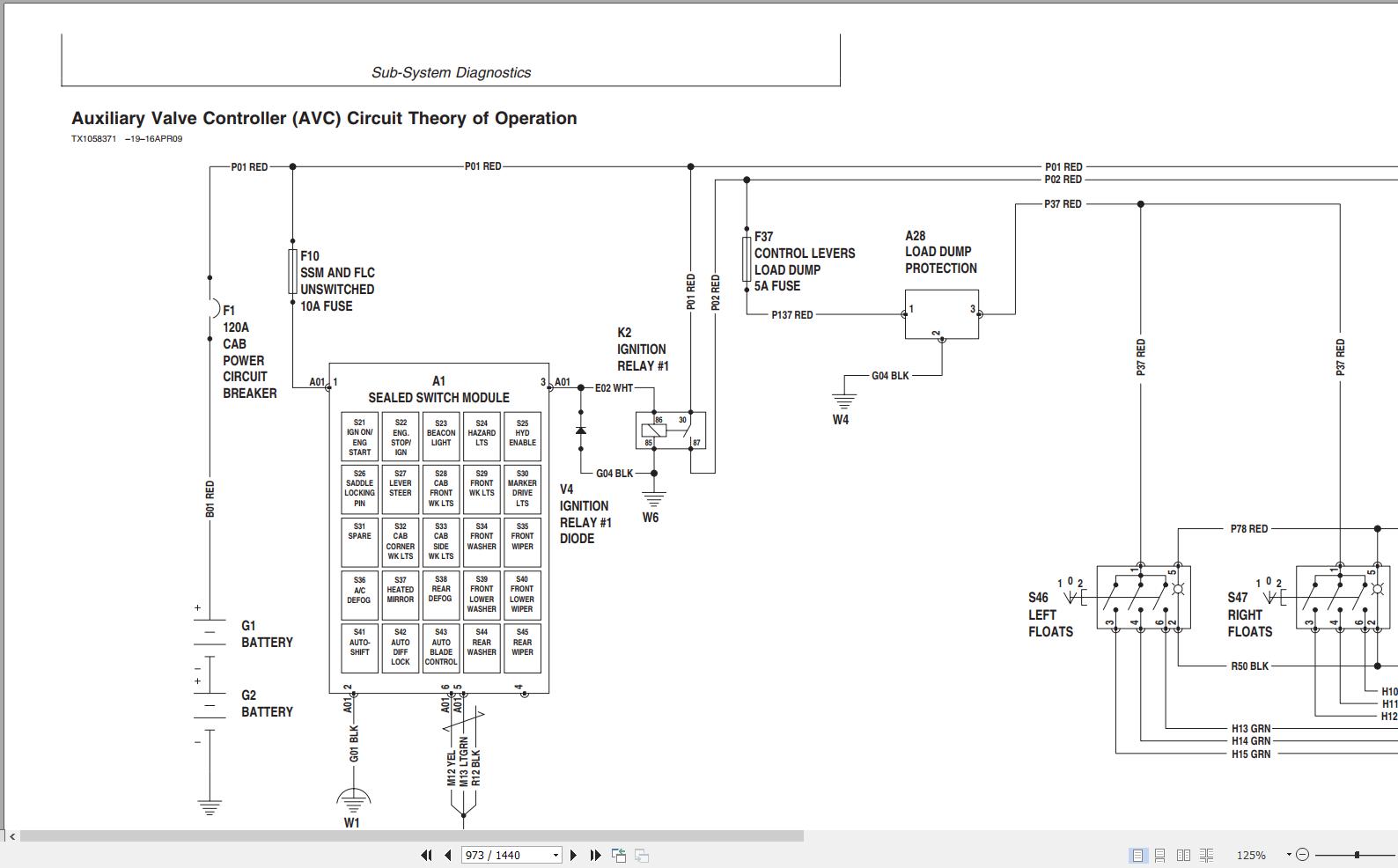
Auxiliary Valve Controller (AVC) Diagnostic Trouble Codes
Sealed Switch Module (SSM) Diagnostic Trouble Codes
Six Wheel Drive (6WD) Diagnostic Trouble Codes
LJ1 Diagnostic Trouble Codes
LJ2 Diagnostic Trouble Codes
LJ3 Diagnostic Trouble Codes
LJ4 Diagnostic Trouble Codes
RJ1 Diagnostic Trouble Codes
RJ2 Diagnostic Trouble Codes
RJ3 Diagnostic Trouble Codes
RJ4 Diagnostic Trouble Codes
Operational Checkout Procedure
Operational Checkout Procedure
Engine
Theory of Operation
Diagnostic Information
Tests
Electrical System
System Information
System Diagrams
Sub-System Diagnostics
Monitor Operation
References
Six Wheel Drive (6WD)
Theory of Operation
Diagnostic Information
Adjustments
Tests
Power Train
Theory of Operation
Diagnostic Information
Tests
Hydraulic System
Theory of Operation
Diagnostic Information
Tests
Heating and Air Conditioning
Theory of Operation
Diagnostic Information
Adjustments
Tests












