-41%
✓
Expert Support
✓
Full Speed
✓
100% Working
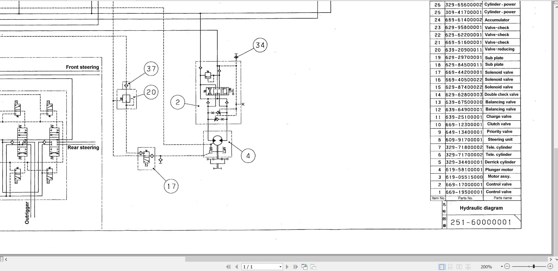
Kato Hydraulic Excavator HD820-III 306332 Service Manual
Kato Hydraulic Excavator HD820-III 306332 Service Manual
Size: 7.46 MB
Fomat: PDF
Language: English
Brand: Kato
Type of machine: Hydraulic Excavator
Type of document: Service Manual
Model: Kato Hydraulic Excavator HD820-III
Page of number: 234 pages
Date modified: 2005
Serial Number: HD820-III….9379107 & HD820-III-LC….9379107
16 USD
- Description
Description
Kato Hydraulic Excavator HD820-III 306332 Service Manual
Size: 7.46 MB
Fomat: PDF
Language: English
Brand: Kato
Type of machine: Hydraulic Excavator
Type of document: Service Manual
Model: Kato Hydraulic Excavator HD820-III
Page of number: 234 pages
Date modified: 2005
Serial Number: HD820-III….9379107 & HD820-III-LC….9379107













