✓
Expert Support
✓
Full Speed
✓
100% Working
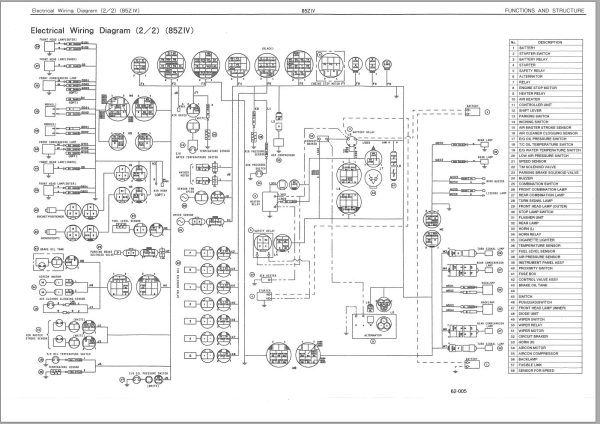
Kawasaki Wheel Loader 85ZA Shop Parts Manuals EN JP
Size: 21.2 MB
Format: PDF
Language: English, Japanese
Brand: Kawasaki
Type of Machine: Wheel Loader
Type of Manual: Shop Manual, Parts Manual
Model: 85ZA
70 USD
- Description
Description
List of Files:
85ZA 85ZIV Vibration Damper Parts Manual AAAP00068-0 EN JP
85ZA Log Clamp Parts Manual AAAP08833-0 EN JP
85ZIV Shop Manual AAA-S85N2E00-945















