✓
Expert Support
✓
Full Speed
✓
100% Working
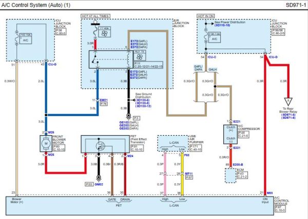
Kia Carens India 2022 Electrical Wiring Diagrams
80 USD
- Description
Description
Size: 11.4 MB
Format: HTML
Language: English
Brand: Kia
Region: INDIA
Type of machine: Automobile
Type of document: Electrical Wiring Diagrams
Model: 2022 Kia Carens KY India G 1.5 T-GDI Kappa PE













