-97%
✓
Expert Support
✓
Full Speed
✓
100% Working
Komatsu Backhoe Loader WB95R WB97R Repair & Maintenance Manual WEBM007700
Size: 25.2 MB
Format: PDF
Language: English
Brand: Komatsu
Type of Machine: Backhoe Loader
Type of Manual: Repair & Maintenance Manual
Model: Komatsu WB95R WB97R Backhoe Loader
Form Number: WEBM007700
Number of Page: 240 Pages
Original price was: 320.10Current price is: 10. USD
- Description
Description
Contents:
Maintenance
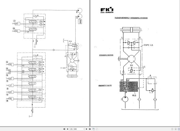
Hydraulic Diagram
Electrical Diagram
Braking System
Transmission
Rear Axle
Front Axle











