✓
Expert Support
✓
Full Speed
✓
100% Working
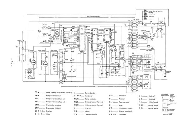
Komatsu Forklift FB30-1 Shop Manual FB30.1E-BE1
Size: 6.08 MB
Format: PDF
Language: English
Brand: Komatsu
Type of Machine: Electric Forklift Truck
Type of Manual: Shop Manual
Model: Komatsu FB30-1 Electric Forklift Truck
Part Number: FB30.1E-BE1
Number of Pages: 70 Pages
20 USD
- Description
Description
Contents:
Drive Motor
Pump Motor
Steering Motor
Construction And Function
Guard Circuits
Troubleshooting













