Expert Support
Full Speed
100% Working
Krone Mower Combination EasyCut B1000CR Original Operating Instructions 150000702_04_us
30 USD
- Description
Description
Contents:
Contact
Information for enquiries and orders
Contact data of your dealer
1 Information on This Document
1.1 Validity
1.2 Re-ordering
1.3 Applicable documents
1.4 Target group of this document
1.5 How to use this document
2 Safety
2.1 Intended use
2.2 Reasonably foreseeable misuse
2.3 Service life of the machine
2.4 Basic safety instructions
2.5 Safety routines
2.6 Safety labels on the machine
2.7 Safety equipment
3 Machine description
3.1 Machine overview
3.2 Labelling
3.3 Description of hydraulic system functions
3.4 Lighting
3.5 Intermediate universal shaft
3.6 Pole protection mechanism
4 Data memory
5 Technical data
5.1 Consumables
6 Control and Display Elements
6.1 ISOBUS terminal
6.2 Operation panel
7 Initial operation
7.1 Checklist for initial operation
7.2 Setting “Speed” sensor
7.3 Adapting coupling points
7.4 Checking/setting the free space from tractor to machine
7.5 Adapting universal shaft
7.6 Adapting hydraulic system
8 Start-up
8.1 Connecting the machine to the tractor
8.2 Connecting hydraulic hoses
8.3 Connecting KRONE Beta II terminal
8.4 Connecting KRONE ISOBUS terminal
8.5 Connecting foreign ISOBUS terminal
8.6 Connecting joystick
8.7 Connecting operation panel
8.8 Connecting lighting
8.9 Installing universal shaft
9 Operation
9.1 Safety device front
9.2 Side guard
9.3 Swivelling up support jacks (transport position)
9.4 Swivelling down support jacks (parking position)
9.5 Locking/releasing stop cocks
9.6 Lowering machine from transport position to working position
9.7 Raising machine from headland position to transport position
9.8 Lowering the machine from transport position to working position
9.9 Mowing
9.10 Emergency manual operation
10 Driving and transport
10.1 Preparing machine for road travel
10.2 Switching off the machine
11 KRONE BETA II terminal
11.1 ISOBUS Shortcut Button not available
11.2 Switching terminal on/off
11.3 Design of display
12 KRONE ISOBUS terminal (CCI 200, DELTA)
12.1 ISOBUS Shortcut Button (ISB)
12.2 Touchable display
12.3 Switching terminal on/off
12.4 Design of display
13 KRONE ISOBUS terminal (CCI 1200)
13.1 Touchable display
13.2 Switching terminal on/off
13.3 Design of display
13.4 Design of the KRONE machine application
14 Foreign ISOBUS terminal
14.1 ISOBUS Shortcut Button not available
14.2 Varying functions to KRONE ISOBUS terminal
15 Terminal – Machine Functions
15.1 Status line
15.2 Keys
15.3 Displays in the work fields
15.4 Calling up working screen
15.5 Calling up road travel screen
15.6 Working screens in manual mode
15.7 Working screens in automatic mode
15.8 Operating machine via joystick
16 Terminal – Menus
16.1 Menu structure
16.2 Recurring icons
16.3 Bring up menu level
16.4 Selecting a menu
16.5 Changing value
16.6 Changing mode
16.7 Menu 1 “Overcut”
16.8 Menu 2 “Width shift”
16.9 Menu 3 “Front Mounted Mower”
16.10 Menu 4 “Accelerator Rollers”
16.11 Menu 5 “Manual Control/Time Control/Distance Control”
16.12 Menu 6 “Lowering Speed”
16.13 Menu 7 “Overlap”
16.14 Menu 13 “Counters”
16.15 Menu 14 “ISOBUS”
16.16 Menu 15 “Settings”
16.17 Error Messages
16.18 Task Controller
17 Settings
17.1 Setting the cutting height
17.2 Setting high-cut skids
17.3 Setting the lateral links
17.4 Setting the lifting/lowering speed on the hydraulic cylinder
17.5 Setting the side guards
17.6 Checking/setting locking of side guards
17.7 Setting roller distance
17.8 Setting the width shift
18 Maintenance – General Information
18.1 Maintenance table
18.2 Tightening torques
18.3 Deviating tightening torques
18.4 Venting the friction clutch
18.5 Checking guard cloths
19 Maintenance – Hydraulic System
19.1 Oil filter
20 Maintenance – Gearbox
20.1 Main gearbox
20.2 Top part of mower gearbox
20.3 Bottom part of mower gearbox
20.4 Gearbox for upper roller drive
20.5 Oil change and oil level check on the cutterbar
21 Maintenance – Cutterbar
21.1 Rotary hub
21.2 Replacing shear protection on rotary hub
21.3 Checking/changing blades
21.4 Checking/replacing retaining bolts
21.5 Checking/replacing blade carrier
21.6 Checking/replacing cutting discs/mower drums
21.7 Checking/replacing linings on cutterbar
22 Maintenance – Lubrication
22.1 Lubricating universal shaft
22.2 Lubrication chart – Machine
23 Maintenance – Electrics
23.1 Position of sensors
23.2 Setting the sensors
24 Storage
25 Waste disposal
26 Appendix
26.1 Hydraulic diagram (for the version with “terminal”)
26.2 Hydraulic diagram (for the “standard” version)
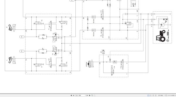
26.3 Circuit diagram
27 Index

















