Expert Support
Full Speed
100% Working
Kubota Utility Vehicle RTV900SW-AU SDL Parts Catalog
10 USD
- Description
Description
Contents:
Frequently Used Items Frequently Used Items
Engine Crankcase
Engine Oil Pan
Engine Cylinder Head
Engine Gear Case
Engine Head Cover
Engine Oil Filter
Engine Dipstick And Guide
Engine Oil Pump
Engine Main Bearing Case
Engine Camshaft And Idle Gear Shaft
Engine Piston And Crankshaft
Engine Flywheel
Engine Fuel Camshaft And Governor Shaft
Engine Idle Apparatus
Engine Injection Pump
Engine Governor
Engine Speed Control Plate
Engine Nozzle Holder And Glow Plug
Engine Nozzle Holder [Component Parts]
Engine Fuel Pump(Mechanical)
Engine Oil Switch Thermometer And Plug
Engine Water Flange And Thermostat
Engine Water Pump
Engine Water Pipe
Engine Fan
Engine Valve And Rocker Arm
Engine Inlet Manifold
Engine Exhaust Manifold
Engine Air Cleaner
Engine Muffler ## S.No.; =74882
Engine Muffler ## S.No.; =74883
Engine Upper Gasket Kit
Engine Lower Gasket Kit
Engine Stop Solenoid
Fuel System Accelerator Pedal
Fuel System Fuel Tank
Fuel System Fuel Pipe
Cooling Water System Fan
Cooling Water System Water Pipe
Cooling Water System Radiator
Cooling Water System Reserve Tank
Electrical System Alternator
Electrical System Alternator [Component Parts]
Electrical System Starter
Electrical System Starter [Component Parts]
Electrical System Battery
Electrical System Switch Sensor
Electrical System Panel Switch
Electrical System Brake Switch
Electrical System Head Light
Electrical System Front Combination Light
Electrical System Rear Combination Light
Electrical System License Lamp
Electrical System Trailer Socket
Electrical System Electrical Wiring
Transmission Front Case
Transmission Transmission Case ## Note Order By Ref.No.010 New Part And Fig.No
Transmission HST
Transmission HST 1 [Component Parts]
Transmission HST 2 [Component Parts]
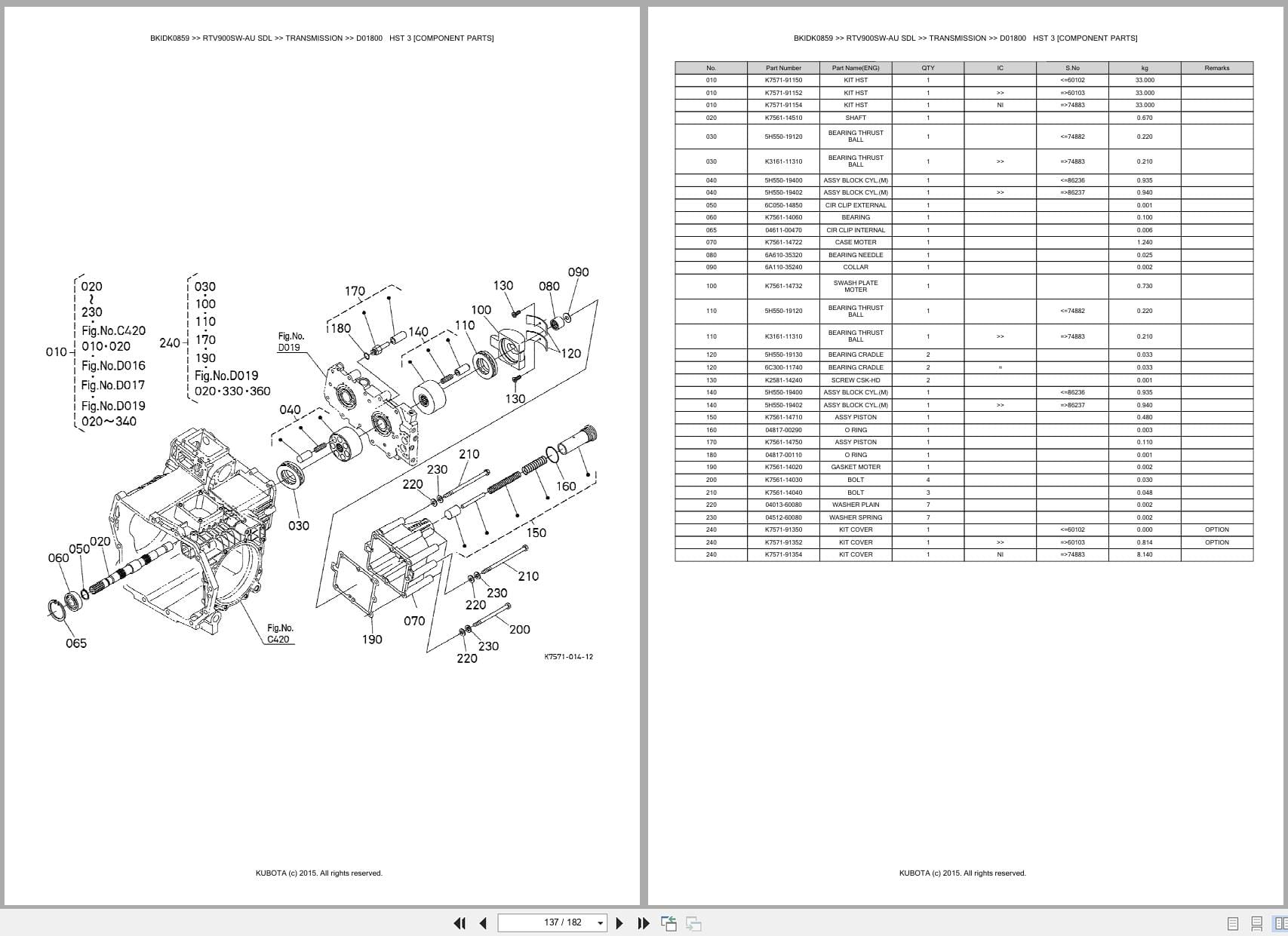
Transmission HST 3 [Component Parts]
Transmission HST 4 [Component Parts] ## Note Not For Sale,Order By New Part.
Transmission Input Shaft
Transmission Propeller Shaft
Transmission Range Gear Shaft
Transmission Revarse Shaft
Transmission Idle Shaft
Transmission Front Wheel Propeller Shaft
Transmission Spiral Bevel Pinion
Transmission Rear Differential
Transmission Rear Wheel Propeller Shaft
Transmission Universal Joint ## S.No.; =93757
Transmission Universal Joint ## S.No.; =93758
Transmission Transmission Kit
Speed Change Range Gear Shift Fork
Speed Change Range Gear Arm
Speed Change Front Wheel Drive Arm
Speed Change Differential Lock Shift Fork
Speed Change Speed Change Lever
Speed Change Speed Change Rod
Speed Change Main Gear Shift Lever











