Expert Support
Full Speed
100% Working
Landini Tractor Series 7 V-Shift Workshop Manual 6735464A1 2023 DE
180 USD
- Description
Description
Contents:
Einleitung
Verantwortung
Zweck des Handbuchs
Copyright
Allgemeines Inhaltsverzeichnis
1001 – Sicherheit
Vorwort
Technische Normen
Sichere Wartung des Traktors
Warnschilder
Anzugsmomente
2000 – Motor
Technische Daten
Anhang
2002 – Abgasnachbehandlungssystem
Technische Daten
Sicherheit
ATS-System
AdBlue®
2003 – Ausbau des Motors
Technische Daten
Sicherheit
Motor
3005 – Tank
Technische Daten
Sicherheit
Verfahren
4001 – Elektrische Anlage
Technische Daten
Sicherheit
Sicherungen und Relais
Übersicht Bedienerschnittstelle
Übersicht Steckdosen
Übersicht zur Lichtausstattung
Datenblätter der Komponenten
Anordnung der Kabelstränge
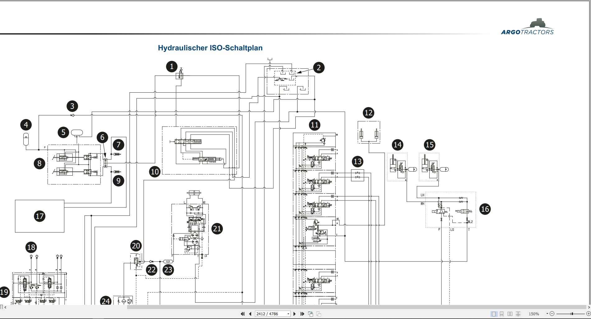
Schaltpläne
4002 – Konfiguration des Instrumentensteuergeräts und Kalibrierungen
Konfiguration der Instrumententafel
Kalibrierungen mit dem Instrument
Kalibrierungen mit dem Diagnosegerät
5000 – Lenksystem – Funktionsweise
Hydrolenkung
Beschreibung des hydraulischen Kreislaufs
5001 – Lenksäule und Hydrolenkung
Technische Daten
Schnitt- und Schaubilder
Sicherheit
Lenksäule und Hydrolenkung
6000 – Getriebe
Getriebe
Hydrostatische Einheit
Mechanische Einheit
Anhang
6001 – Anbindung Motor – Getriebe
Torsionsdämpfer
6021 – Vorderachse
Technische Daten
Anhang
6025 – Frontkraftheber und Frontzapfwelle
Technische Daten
Schnitt- und Schaubilder
Sicherheit
Wartung des Frontkrafthebers
Wartung der Frontzapfwelle
7000 – Bremsen und „EAZY GRIP“ Funktionsweise
Bremskreislauf
Hydraulische Anhängerbremse
Anhängerbremsanlage Typ CEE
Anhängerbremsanlage Typ ITALIEN „Cuna“
ANHÄNGERBREMSANLAGE TYP EU 2015/68
Anschlüsse zur Entlüftung der Bremsen
Bremskraftverteilungsventil
Anhänger-Druckluftbremsen
ISO- und Wirkschaltpläne Druckluftbremsanlage
Anlagenkomponenten
Zentralisiertes „Eazy Grip“-Radfüllsystem
Anlagenkomponenten
7003 – Prüfung und Einstellungen
Sicherheit
Bremsen
Diagnostische Tests der Druckluftbremsanlage
„Pick-Up Hitch“
8000 – Hydraulische Komponenten Funktionsweise
Technische Daten
Hydraulische Anlage
Hydraulikpumpen
Druckregelgruppe
Magnetventilgruppe Kupplungen
Hydrostatische Einheit
Absperrventil „Cut-Off”
Hydraulische Gruppe „Smart Power Zero”
Dynamisches Prioritätsventil
Hydraulische Sammelleitungen
Hydrolenkung
Hydraulische Anhängerbremsanlage
Hecksteuergeräte
Gefederte Kabine
Gefederte Achse
Frontkraftheber
Zwischenachs-Steuergerät
„POWER BEYOND”
Getriebeentlüftung und Öleinfüllung
8001 – Fehlersuche an der hydraulischen Anlage
Technische Daten
Fehlerdiagnose
Fehlerdiagnose
9000 – Kabine
Technische Daten
Klimaanlage
Kompressor
Kondensator
Behälter/Trockner
Verdampfer
Thermostatisches Expansionsventil
Verdampfertemperatursensor
Druckschalter der Klimaanlage
Mischlufttemperatursensor
Sensor der Kabinenaußentemperatur
Sensor der Kabinenaußentemperatur
Sonnensensor
Schalttafel der Klimaanlage
9001 – Einstellungen und Regelungen
Technische Daten
Sicherheit
Einstellungen
Regelungen
9002 – Ausbau der Kabine
Sicherheit
KABINE
9004 – Klimaanlage
Sicherheit
Wartung der Klimaanlage
Druckprüfungen
Diagnose und Fehlersuche
9005 – Fahrersitz
Sicherheit
Beschreibung
Anhang
10000 – Alarmdiagnose der Steuergeräte
CAN BUS System
Fehlermanagement via CAN
Instrumentensteuergerät EC1
Motorsteuergerät EC6
Steuergerät für Kraftheber und Lichtmanagement EC9
Steuergerät der gefederten Achse EC10
Armlehnensteuergerät EC15
Steuergerät der Zwischenachs-Steuergeräte EC16
Klimaanlagen-Steuergerät EC17
Steuergerät zur Fahrzeugkontrolle VDC EC23
GPS-Antenne EC27
Steuergerät der elektronischen Hydrolenkung EC28
Monitor des satellitengestützten Lenksystems X25 EC31
Steuergerät der Anhängerbremsanlage EC35
Getriebesteuergerät EC40
Telematik-Steuergerät EC41
Steuergerät gefederte Kabine und ISOBUS EC43
Steuergerät „EazyGrip“ EC801
Contents:
Introduction
Responsibility
Purpose of the Manual
Copyright
General Table of Contents
1001 – Safety
Foreword
Technical Standards
Safe Tractor Maintenance
Warning Labels
Tightening Torques
2000 – Engine
Technical Data
Appendix
2002 – Exhaust Aftertreatment System
Technical Data
Safety
ATS System
AdBlue®
2003 – Engine Removal
Technical Data
Safety
Engine
3005 – Tank
Technical Data
Safety
Procedures
4001 – Electrical System
Technical Data
Safety
Fuses and Relays
Operator Interface Overview
Sockets Overview
Lighting Equipment Overview
Component Data Sheets
Wiring Harness Layout
Wiring Diagrams
4002 – Instrument Control Unit Configuration and Calibrations
Instrument Panel Configuration
Instrument Calibrations
Diagnostic Tool Calibrations
5000 – Steering System – Operation
Power Steering
Description of the Hydraulic Circuit
5001 – Steering Column and Power Steering
Technical Data
Sectional and Diagram Drawings
Safety
Steering Column and Hydraulic steering
6000 – Transmission
Transmission
Hydrostatic unit
Mechanical unit
Appendix
6001 – Engine-transmission connection
Torsion damper
6021 – Front axle
Technical data
Appendix
6025 – Front linkage and front PTO
Technical data
Sectional drawings and diagrams
Safety
Front linkage maintenance
Front PTO maintenance
7000 – Brakes and “EAZY GRIP” operation
Brake circuit
Hydraulic trailer brake
Trailer brake system type CEE
Trailer brake system type ITALY “Cuna”
TRAILER BRAKE SYSTEM TYPE EU 2015/68
Brake bleed connections
Brake force distribution valve
Trailer air brakes
ISO and wiring diagrams for air brake system
System components
Centralized “Eazy Grip” wheel inflation system
System components
7003 – Testing and adjustment
Safety
Brakes
Air brake system diagnostic tests
“Pick-up” Hitch”
8000 – Hydraulic Components Function
Technical Data
Hydraulic System
Hydraulic Pumps
Pressure Control Group
Solenoid Valve Group Clutches
Hydrostatic Unit
Cut-Off Valve
“Smart Power Zero” Hydraulic Group
Dynamic Priority Valve
Hydraulic Manifolds
Power Steering
Hydraulic Trailer Brake System
Rear Control Valves
Suspended Cab
Suspended Axle
Front Hitch
Mid-Axle Control Unit
“POWER BEYOND”
Transmission Bleeding and Oil Filling
8001 – Hydraulic System Troubleshooting
Technical Data
Troubleshooting
Troubleshooting
9000 – Cab
Technical Data
Air Conditioning System
Compressor
Condenser
Receiver/Dryer
Evaporator
Thermostatic Expansion Valve
Evaporator Temperature Sensor
Air Conditioning Pressure Switch
Mixed Air Temperature Sensor
Outside Cab Temperature Sensor
Outside Cab Temperature Sensor
Sun Sensor
Air Conditioning Control Panel
9001 – Settings and Controls
Technical Data
Safety
Settings
Controls
9002 – Removal Cab
Safety
CAB
9004 – Air Conditioning
Safety
Air Conditioning Maintenance
Pressure Tests
Diagnostics and Troubleshooting
9005 – Driver’s Seat
Safety
Description
Appendix
10000 – Control Unit Alarm Diagnostics
CAN BUS System
Error Management via CAN
Instrument Control Unit EC1
Engine Control Unit EC6
Power Lift and Lighting Management Control Unit EC9
Suspended Axle Control Unit EC10
Armrest Control Unit EC15
Mid-Axle Control Units EC16
Air Conditioning Control Unit EC17
Vehicle Control Unit VDC EC23
GPS Antenna EC27
Electronic Power Steering Control Unit EC28
Satellite Steering System Monitor X25 EC31
Trailer Brake Control Unit EC35
Transmission Control Unit EC40
Telematics Control Unit EC41
Suspended Cab and ISOBUS Control Unit EC43
“EazyGrip” Control Unit EC801













