-27%
✓
Expert Support
✓
Full Speed
✓
100% Working
Lexus ES350 GSIC Workshop New Updated Manual DVD
Lexus ES350 GSIC Workshop New Updated Manual DVD
Size: 334mb
Language: English
Format: html,pdf
Original price was: 15.11Current price is: 11. USD
- Description
- Reviews (0)
Description
Lexus ES350 GSIC Workshop New Updated Manual DVD
Size: 334mb
Language: English
Format: html,pdf
Please read clear detail model on below before download
Model List:
Lexus ES350 2008 Workshop Manual
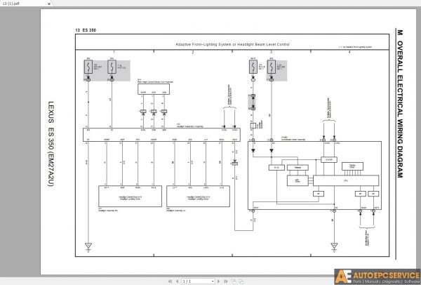
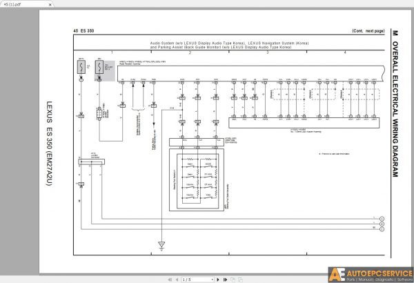
LEXUS ES350 2016-2018 Electrical Wiring Diagram
LEXUS ES350-2010-USA-SC13T0U GSIC WORKSHOP MANUAL
Be the first to review “Lexus ES350 GSIC Workshop New Updated Manual DVD”
You must be logged in to post a review.


















Reviews
There are no reviews yet.