Expert Support
Full Speed
100% Working
Liebherr Crane LGD 1800 Z14369 Electric and Hydraulic Diagrams DE
100 USD
- Description
Description
List of Files:
Additional Hydraulics Diagram 982145408_000 DE.pdf (3 Pages)
Circuit Diagram Compressed Air System 981402108_006 DE.pdf (6 Pages)
Circuit Diagram Crane Control 981431908_006 DE.pdf (46 Pages)
Control Electrical Diagram 982121608_001 DE.pdf (119 Pages)
Device Arrangement 981437208_002 DE.pdf (1 Page)
Electric Diagram LMB 981867708_000 DE.pdf (19 Pages)
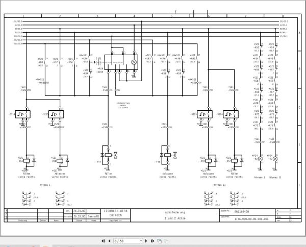
Electrical Diagram 982166408_001 DE.pdf (53 Pages)
Hydraulic Diagram 981407508_003 DE.pdf (2 Pages)
Hydraulic Diagram 981866608_000 DE.pdf (3 Pages)
Hydraulic Diagram 982100408_002 DE.pdf (32 Pages)
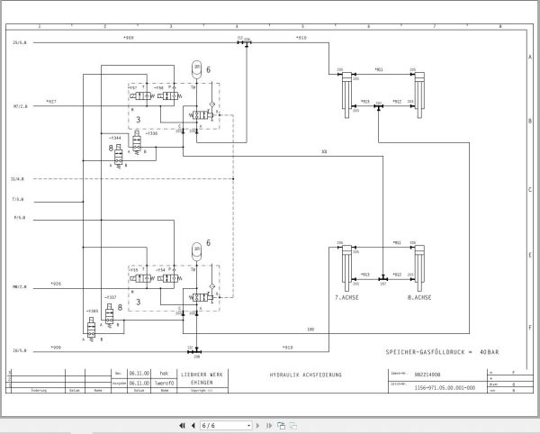
Hydraulic Diagram 982214908_000 DE.pdf (6 Pages)
Hydraulics W Restraint Protection 981962108_000 DE.pdf (2 Pages)
overview plan 981872708_000 DE.pdf (54 Pages)
Wiring Diagram Terminal Box 981967008_000DE.pdf (1 Page)















