✓
Expert Support
✓
Full Speed
✓
100% Working
Liebherr Crane LTM 1400-7.1 Electrical Hydraulic & Pneumatic Diagrams
Size: 840 MB
Format: PDF
Language: English, French, German, Spanish, Russian
Brand: Liebherr
Type of Machine: Crane
Type of Manual: Electrical and Hydraulic Schematics, Pneumatic Diagram
Model: Liebherr LTM 1400-7.1 Crane
200 USD
- Description
Description
List of Files:
Piping Plan Emergency Opeartion Hydraulics Superstructure
Piping Plan Hyudraulics Winch 3
Schaltplan Drehbuehne
Schaltplan EL.Anlage UW
Schaltplan Hydraulik
Schaltplan Pneumatik Kabine Pneum Kabine ST4
Schaltplan Steuerung
Schaltplan W102
Schaltplan W152
Schaltplan W176
Verdrahtungsliste S2
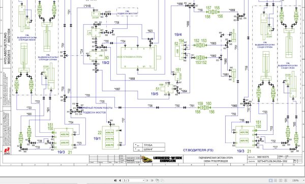
Verrohrungsplan Abstuetzung Hyd.Abstuetzung
Verrohrungsplan Achsfederung Doppeltaachsfed
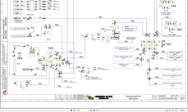
Verrohrungsplan Druckluft Druckluftanlage
Verrohrungsplan Lenkung Hyd Lenkung
Verrohrungsplan Notbetaetigung Notbetaetigung
Verrohrungsplan Pneum FahreRh FAHRERH MAX FS





















